|
|
|
Hydraulics, Inc. 旋转接头 SWIVELS
SWIVELS, COUPLINGS, AND CONTROLS FOR HYDRAULIC SYSTEMS
SWIVELS;S-Inline,HS-Heavy Duty Inline,9S-90° Swivel,9SS-Dual Plane Swivel,18S-Parallel Plane Swivel,Flange Swivels
SWIVELS;18S-Parallel Plane Swivel
Hydraulics, Inc. 设计特点:
淬火碳钢筒体-大磨损表面
标准O形环和支承环-现场可更换密封套件
熔模铸造筒体-高强度
可选密封材料
抛光缸孔-延长密封寿命
嵌入式和保护防尘密封件
铜填充炉钎焊接头
低旋转扭矩的压力平衡
重型固定环
低压降
黄色铬酸盐RoHS防护处理镀

Hydraulics, Inc. Design Features
Hardened carbon steel barrel - Large wear surface
Standard O-Ring and back up ring - Field replaceable seal kits
Investment Cast Barrel - High Strength
Optional seal material
Burnished barrel bore - Extends seal life
Recessed and protected dust seals
Copper filled furnace braze joints
Pressure balanced for low rotational torque
Heavy duty retainer ring
Low Pressure Drop
Protective treatment-Zinc Plating with Yellow Chromate RoHS Compliant Finish

注意CAUTION:
不要试图在压力下断开和拆卸旋转装置。在压力下,不要从阀杆上拆下旋转筒。不要试图操作损坏的旋转接头,也不要操作显示油液泄漏和/或明显轴承磨损的旋转接头。考虑所选旋转装置的额定压力不能超过旋转装置及其所选端口的最低额定值。请参阅安全信息-选择和使用液压系统,包括旋转接头。Do not attempt to disconnect and disassemble swivels under pressure. Do not remove the swivel barrel from stem while under pressure. Do not attempt to operate damaged swivels and do not operate swivels displaying fluid leak and/or obvious bearing wear. Consider that a selected swivels rated pressure cannot exceed the lowest rating of the swivel and of it’s selected ports. Refer to Safety Information - Selecting and Using Hydraulics, Inc. Swivel Joints.
压力限制Pressure Limitations:
“18”系列的最大工作压力为3000 psi(20.7兆帕);然而,连接管道可能被额定高于或低于水龙头。流体动力系统的额定工作压力不应超过其最低额定部件。Maximum working pressure for “18S” Series swivels is 3,000 psi (20.7 Mpa); however, connecting plumbing may be rated higher or lower than that of the swivel. The rated working pressure of a fluid power system should not exceed the lowest rated component therein.
安装信息Installation Information:
Hydraulics, Inc. 的旋转接头通常被认为是流体动力系统中遇到的低速旋转。最大转速取决于系统环境,流体类型和与温度和压力有关的极端条件是首要考虑因素。可疑的应用应通过实验室或原型测试证明。安装时应避免污染,连接管道不应造成过度负荷。水龙头不应用作承重或结构构件。有关更多信息,请参阅选择和使用液压系统,包括旋转接头。Hydraulics, Inc. swivel joints are generally considered for low speed rotation as encountered in fluid power systems. Maximum speed of rotation depends upon system environment, with fluid types and extreme conditions related to temperature and pressure being of prime consideration. Questionable applications should be proven by laboratory or prototype testing. Contamination at installation should be avoided and connecting plumbing should not cause undue loading. The swivel should not be used as a load bearing or structural member. Refer to Selecting and Using Hydraulics, Inc. Swivel Joints for additional information.
Options
本网站上显示的旋转阀被视为液压公司的标准配置。有关压力额定值或端口选项的其他要求,本网站上未显示,请与我们联系。可通过在零件号中添加密封化合物指示符后缀来指定可选的密封材料。Swivels shown on this website are considered standard to Hydraulics, Inc. For other requirements relative to pressure ratings or port options, not shown on this website, please contact us. Optional seal material may be specified by adding the seal compound designator suffix to the part number.
 |
 |
 |
| Male O-Ring Face Seal to Male O-Ring Face Seal |
Male O-Ring Face Seal to Male JIC |
Male O-Ring Face Seal to Male Pipe |
 |
 |
 |
| Male O-Ring Face Seal to Female Pipe |
Male O-Ring Face Seal to Female Pipe Union |
Male O-Ring Face Seal to Female O-Ring Face Seal Union |
 |
 |
 |
| Female O-Ring Face Seal Union to Male O-Ring Face Seal |
Female O-Ring Face Seal Union to Female O-Ring Face Seal Union |
Female O-Ring Face Seal Union to Male JIC |
 |
 |
 |
| Female O-Ring Face Seal Union to Male Pipe |
Female O-Ring Face Seal Union to Female Pipe |
Female O-Ring Face Seal Union to Female Pipe Union |
 |
 |
 |
| Male JIC to Male JIC |
Male Pipe to Male JIC |
Male Pipe to Male Pipe |
 |
 |
 |
| Female Pipe to Male JIC |
Female Pipe to Male Pipe |
Female Pipe to Female Pipe |
 |
 |
 |
| Female Pipe Union to Male JIC |
Female Pipe Union to Male Pipe |
Female Pipe Union to Female Pipe Union |
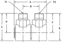
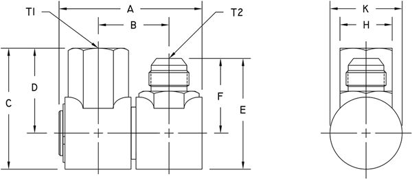
SWIVELS | 18S-PARALLEL PLANE SWIVEL | MALE O-RING FACE SEAL TO MALE O-RING FACE SEAL
MALE O-RING FACE SEAL TO MALE O-RING FACE SEAL
male-o-ring-face-seal-to-male-o-ring-face-seal

| Part Number |
T1 |
T2 |
A |
B |
C |
D |
E |
F |
H Hex |
K Dia. |
Max W.P. |
| 18S6F4-F4 |
9/16-18 UNF-2A |
9/16-18 UNF-2A |
3.05 77.5 mm |
1.50 38.1 mm |
1.57 39.9 mm |
1.11 28.2 mm |
1.57 39.9 mm |
1.11 28.2 mm |
1.00 25.4 mm |
0.92 23.4 mm |
3,000 PSI 20.7 MPa |
| 18S6F4-F6 |
9/16-18 UNF-2A |
11/16-16 UN-2A |
3.05 77.5 mm |
1.50 38.1 mm |
1.57 39.9 mm |
1.11 28.2 mm |
1.62 41.1 mm |
1.16 29.5 mm |
1.00 25.4 mm |
0.92 23.4 mm |
3,000 PSI 20.7 MPa |
| 18S6F4-F8 |
9/16-18 UNF-2A |
13/16-16 UN-2A |
3.05 77.5 mm |
1.50 38.1 mm |
1.57 39.9 mm |
1.11 28.2 mm |
1.74 44.2 mm |
1.26 32.0 mm |
1.00 25.4 mm |
0.92 23.4 mm |
3,000 PSI 20.7 MPa |
| 18S6F6-F6 |
11/16-16 UN-2A |
11/16-16 UN-2A |
3.05 77.5 mm |
1.50 38.1 mm |
1.62 41.1 mm |
1.16 29.5 mm |
1.62 41.1 mm |
1.16 29.5 mm |
1.00 25.4 mm |
0.92 23.4 mm |
3,000 PSI 20.7 MPa |
| 18S6F6-F8 |
11/16-16 UN-2A |
13/16-16 UN-2A |
3.05 77.5 mm |
1.50 38.1 mm |
1.62 41.1 mm |
1.16 29.5 mm |
1.74 44.2 mm |
1.26 32.0 mm |
1.00 25.4 mm |
0.92 23.4 mm |
3,000 PSI 20.7 MPa |
| 18S6F8-F8 |
13/16-16 UN-2A |
13/16-16 UN-2A |
3.05 77.5 mm |
1.50 38.1 mm |
1.74 44.2 mm |
1.26 32.0 mm |
1.74 44.2 mm |
1.26 32.0 mm |
1.00 25.4 mm |
0.92 23.4 mm |
3,000 PSI 20.7 MPa |
| 18S8F8-F8 |
13/16-16 UN-2A |
13/16-16 UN-2A |
3.03 77.0 mm |
1.49 37.8 mm |
2.12 53.8 mm |
1.37 34.8 mm |
2.12 53.8 mm |
1.37 34.8 mm |
1.13 28.7 mm |
1.50 38.1 mm |
3,000 PSI 20.7 MPa |
| 18S8F8-F10 |
13/16-16 UN-2A |
1-14 UNS-2A |
3.03 77.0 mm |
1.49 37.8 mm |
2.12 53.8 mm |
1.37 34.8 mm |
2.28 57.9 mm |
1.53 38.9 mm |
1.13 28.7 mm |
1.50 38.1 mm |
3,000 PSI 20.7 MPa |
| 18S8F10-F10 |
1-14 UNS-2A |
1-14 UNS-2A |
3.03 77.0 mm |
1.49 37.8 mm |
2.28 57.9 mm |
1.53 38.9 mm |
2.28 57.9 mm |
1.53 38.9 mm |
1.13 28.7 mm |
1.50 38.1 mm |
3,000 PSI 20.7 MPa |
| 18S12F12-F12 |
1 3/16-12 UN-2A |
1 3/16-12 UN-2A |
3.77 95.8 mm |
1.86 47.2 mm |
2.83 71.9 mm |
1.88 47.8 mm |
2.83 71.9 mm |
1.88 47.8 mm |
1.38 35.1 mm |
1.90 48.3 mm |
3,000 PSI 20.7 MPa |
| 18S16F16-F16 |
1 7/16-12 UN-2A |
1 7/16-12 UN-2A |
4.37 111.0 mm |
2.24 56.9 mm |
3.12 79.2 mm |
2.05 52.1 mm |
3.12 79.2 mm |
2.05 52.1 mm |
1.63 41.4 mm |
2.13 54.1 mm |
3,000 PSI 20.7 MPa |
| 18S20F20-F20 |
1 11/16-12 UN-2A |
1 11/16-12 UN-2A |
4.96 126.0 mm |
2.50 63.5 mm |
3.57 90.7 mm |
2.20 55.9 mm |
3.57 90.7 mm |
2.20 55.9 mm |
2.00 50.8 mm |
2.75 69.9 mm |
3,000 PSI 20.7 MPa |
| 18S24F24-F24 |
2-12 UN-2A |
2-12 UN-2A |
6.68 169.7 mm |
3.36 85.3 mm |
4.33 110.0 mm |
2.58 65.5 mm |
4.33 110.0 mm |
2.58 65.5 mm |
2.37 60.2 mm |
3.50 88.9 mm |
3,000 PSI 20.7 MPa |
SWIVELS | 18S-PARALLEL PLANE SWIVEL | MALE O-RING FACE SEAL TO MALE JIC
MALE O-RING FACE SEAL TO MALE JIC
male-o-ring-face-seal-to-male-jic

| Part Number |
T1 |
T2 |
A |
B |
C |
D |
E |
F |
H Hex |
K Dia. |
Max W.P. |
| 18S6F4-J5 |
9/16-18 UNF-2A |
1/2-20 UNF-2A |
3.05 77.5 mm |
1.50 38.1 mm |
1.57 39.9 mm |
1.11 28.2 mm |
1.64 41.7 mm |
1.18 30.0 mm |
1.00 25.4 mm |
0.92 23.4 mm |
3,000 PSI 20.7 MPa |
| 18S6F4-J6 |
9/16-18 UNF-2A |
9/16-18 UNF-2A |
3.05 77.5 mm |
1.50 38.1 mm |
1.57 39.9 mm |
1.11 28.2 mm |
1.64 41.7 mm |
1.18 30.0 mm |
1.00 25.4 mm |
0.92 23.4 mm |
3,000 PSI 20.7 MPa |
| 18S6F4-J8 |
9/16-18 UN-2A |
3/4-16 UNF-2A |
3.05 77.5 mm |
1.50 38.1 mm |
1.57 39.9 mm |
1.11 28.2 mm |
1.95 49.5 mm |
1.49 37.8 mm |
1.00 25.4 mm |
0.92 23.4 mm |
3,000 PSI 20.7 MPa |
| 18S6F6-J5 |
11/16-16 UN-2A |
1/2-20 UNF-2A |
3.05 77.5 mm |
1.50 38.1 mm |
1.62 41.1 mm |
1.16 29.5 mm |
1.64 41.7 mm |
1.18 30.0 mm |
1.00 25.4 mm |
0.92 23.4 mm |
3,000 PSI 20.7 MPa |
| 18S6F6-J6 |
11/16-16 UN-2A |
9/16-18 UNF-2A |
3.05 77.5 mm |
1.50 38.1 mm |
1.62 41.1 mm |
1.16 29.5 mm |
1.64 41.7 mm |
1.18 30.0 mm |
1.00 25.4 mm |
0.92 23.4 mm |
3,000 PSI 20.7 MPa |
| 18S6F6-J8 |
11/16-16 UN-2A |
3/4-16 UNF-2A |
3.05 77.5 mm |
1.50 38.1 mm |
1.62 41.1 mm |
1.16 29.5 mm |
1.95 49.5 mm |
1.49 37.8 mm |
1.00 25.4 mm |
0.92 23.4 mm |
3,000 PSI 20.7 MPa |
| 18S6F8-J5 |
13/16-16 UN-2A |
1/2-20 UNF-2A |
3.05 77.5 mm |
1.50 38.1 mm |
1.74 44.2 mm |
1.26 32.0 mm |
1.64 41.7 mm |
1.18 30.0 mm |
1.00 25.4 mm |
0.92 23.4 mm |
3,000 PSI 20.7 MPa |
| 18S6F8-J6 |
13/16-16 UN-2A |
9/16-18 UNF-2A |
3.05 77.5 mm |
1.50 38.1 mm |
1.74 44.2 mm |
1.26 32.0 mm |
1.64 41.7 mm |
1.18 30.0 mm |
1.00 25.4 mm |
0.92 23.4 mm |
3,000 PSI 20.7 MPa |
| 18S6F8-J8 |
13/16-16 UN-2A |
3/4-16 UNF-2A |
3.05 77.5 mm |
1.50 38.1 mm |
1.74 44.2 mm |
1.26 32.0 mm |
1.95 49.5 mm |
1.49 37.8 mm |
1.00 25.4 mm |
0.92 23.4 mm |
3,000 PSI 20.7 MPa |
| 18S8F8-J8 |
13/16-16 UN-2A |
3/4-16 UNF-2A |
3.03 77.0 mm |
1.49 37.8 mm |
2.12 53.8 mm |
1.37 34.8 mm |
2.19 55.6 mm |
1.45 36.8 mm |
1.13 28.7 mm |
1.50 38.1 mm |
3,000 PSI 20.7 MPa |
| 18S8F8-J10 |
13/16-16 UN-2A |
7/8-14 UNF-2A |
3.03 77.0 mm |
1.49 37.8 mm |
2.12 53.8 mm |
1.37 34.8 mm |
2.29 58.2 mm |
1.54 39.1 mm |
1.13 28.7 mm |
1.50 38.1 mm |
3,000 PSI 20.7 MPa |
| 18S8F10-J8 |
1-14 UNS-2A |
3/4-16 UNF-2A |
3.03 77.0 mm |
1.49 37.8 mm |
2.28 57.9 mm |
1.53 38.9 mm |
2.19 55.6 mm |
1.45 36.8 mm |
1.13 28.7 mm |
1.50 38.1 mm |
3,000 PSI 20.7 MPa |
| 18S8F10-J10 |
1-14 UN-2A |
7/8-14 UNF-2A |
3.03 77.0 mm |
1.49 37.8 mm |
2.28 57.9 mm |
1.53 38.9 mm |
2.29 58.2 mm |
1.54 39.1 mm |
1.13 28.7 mm |
1.50 38.1 mm |
3,000 PSI 20.7 MPa |
| 18S12F12-J12 |
1 3/16-12 UN-2A |
1 1/16-12 UN-2A |
3.77 95.8 mm |
1.86 47.2 mm |
2.83 71.9 mm |
1.88 47.8 mm |
2.92 74.2 mm |
1.97 50.0 mm |
1.38 35.1 mm |
1.90 48.3 mm |
3,000 PSI 20.7 MPa |
| 18S16F16-J16 |
1 7/16-12 UN-2A |
1 5/16-12 UN-2A |
4.37 111.0 mm |
2.24 56.9 mm |
3.12 79.2 mm |
2.05 52.1 mm |
3.23 82.0 mm |
2.17 55.1 mm |
1.63 41.4 mm |
2.13 54.1 mm |
3,000 PSI 20.7 MPa |
| 18S20F20-J20 |
1 11/16-12 UN-2A |
1 5/8-12 UN-2A |
4.96 126.0 mm |
2.50 63.5 mm |
3.57 90.7 mm |
2.20 55.9 mm |
3.90 99.1 mm |
2.52 64.0 mm |
2.00 50.8 mm |
2.75 69.9 mm |
3,000 PSI 20.7 MPa |
| 18S24F24-J24 |
2-12 UN-2A |
1 7/8-12 UN-2A |
6.68 169.7 mm |
3.36 85.3 mm |
4.33 110.0 mm |
2.58 65.5 mm |
4.66 118.4 mm |
2.91 73.9 mm |
2.37 60.2 mm |
3.50 88.9 mm |
3,000 PSI 20.7 MPa |
SWIVELS | 18S-PARALLEL PLANE SWIVEL | MALE O-RING FACE SEAL TO MALE PIPE
MALE O-RING FACE SEAL TO MALE PIPE
male-o-ring-face-seal-to-male-pipe

| Part Number |
T1 |
T2 |
A |
B |
C |
D |
E |
F |
H Hex |
K Dia. |
Max W.P. |
| 18S6F4-P4 |
9/16-18 UNF-2A |
1/4-18 NPTF |
3.05 77.5 mm |
1.50 38.1 mm |
1.57 39.9 mm |
1.11 28.2 mm |
1.96 49.8 mm |
1.50 38.1 mm |
1.00 25.4 mm |
0.92 23.4 mm |
3,000 PSI 20.7 MPa |
| 18S6F4-P6 |
9/16-18 UNF-2A |
3/8-18 NPTF |
3.05 77.5 mm |
1.50 38.1 mm |
1.57 39.9 mm |
1.11 28.2 mm |
1.96 49.8 mm |
1.50 38.1 mm |
1.00 25.4 mm |
0.92 23.4 mm |
3,000 PSI 20.7 MPa |
| 18S6F6-P4 |
11/16-16 UN-2A |
1/4-18 NPTF |
3.05 77.5 mm |
1.50 38.1 mm |
1.62 41.1 mm |
1.16 29.5 mm |
1.96 49.8 mm |
1.50 38.1 mm |
1.00 25.4 mm |
0.92 23.4 mm |
3,000 PSI 20.7 MPa |
| 18S6F6-P6 |
11/16-16 UN-2A |
3/8-18 NPTF |
3.05 77.5 mm |
1.50 38.1 mm |
1.62 41.1 mm |
1.16 29.5 mm |
1.96 49.8 mm |
1.50 38.1 mm |
1.00 25.4 mm |
0.92 23.4 mm |
3,000 PSI 20.7 MPa |
| 18S6F8-P4 |
13/16-16 UN-2A |
1/4-18 NPTF |
3.05 77.5 mm |
1.50 38.1 mm |
1.74 44.2 mm |
1.26 32.0 mm |
1.96 49.8 mm |
1.50 38.1 mm |
1.00 25.4 mm |
0.92 23.4 mm |
3,000 PSI 20.7 MPa |
| 18S6F8-P6 |
13/16-16 UN-2A |
3/8-18 NPTF |
3.05 77.5 mm |
1.50 38.1 mm |
1.74 44.2 mm |
1.26 32.0 mm |
1.96 49.8 mm |
1.50 38.1 mm |
1.00 25.4 mm |
0.92 23.4 mm |
3,000 PSI 20.7 MPa |
| 18S8F8-P8 |
13/16-16 UN-2A |
1/2-14 NPTF |
3.03 77.0 mm |
1.49 37.8 mm |
2.12 53.8 mm |
1.37 34.8 mm |
2.65 67.3 mm |
1.90 48.3 mm |
1.13 28.7 mm |
1.50 38.1 mm |
3,000 PSI 20.7 MPa |
| 18S8F10-P8 |
1-14 UNS-2A |
1/2-14 NPTF |
3.03 77.0 mm |
1.49 37.8 mm |
2.28 57.9 mm |
1.53 38.9 mm |
2.65 67.3 mm |
1.90 48.3 mm |
1.13 28.7 mm |
1.50 38.1 mm |
3,000 PSI 20.7 MPa |
| 18S12F12-P12 |
1 3/16-12 UN-2A |
3/4-14 NPTF |
3.77 95.8 mm |
1.86 47.2 mm |
2.83 71.9 mm |
1.88 47.8 mm |
3.21 81.5 mm |
2.26 57.4 mm |
1.38 35.1 mm |
1.90 48.3 mm |
3,000 PSI 20.7 MPa |
| 18S16F16-P16 |
1 7/16-12 UN-2A |
1-11 1/2 NPTF |
4.37 111.0 mm |
2.24 56.9 mm |
3.12 79.2 mm |
2.05 52.1 mm |
3.71 94.2 mm |
2.65 67.3 mm |
1.63 41.4 mm |
2.13 54.1 mm |
3,000 PSI 20.7 MPa |
| 18S20F20-P20 |
1 11/16-12 UN-2A |
1 1/4-11 1/2 NPTF |
4.96 126.0 mm |
2.50 63.5 mm |
3.57 90.7 mm |
2.20 55.9 mm |
4.36 110.7 mm |
2.99 75.9 mm |
2.00 50.8 mm |
2.75 69.9 mm |
3,000 PSI 20.7 MPa |
| 18S24F24-P24 |
2-12 UN-2A |
1 1/2-11 1/2 NPTF |
6.68 169.7 mm |
3.36 85.3 mm |
4.33 110.0 mm |
2.58 65.5 mm |
5.45 138.4 mm |
3.70 94.0 mm |
2.37 60.2 mm |
3.50 88.9 mm |
3,000 PSI 20.7 MPa |
SWIVELS | 18S-PARALLEL PLANE SWIVEL | MALE O-RING FACE SEAL TO FEMALE PIPE
MALE O-RING FACE SEAL TO FEMALE PIPE
male-o-ring-face-seal-to-female-pipe

| Part Number |
T1 |
T2 |
A |
B |
C |
D |
E |
F |
H Hex |
K Dia. |
Max W.P. |
| 18S6F4-PF4 |
9/16-18 UNF-2A |
1/4-18 NPTF |
3.05 77.5 mm |
1.50 38.1 mm |
1.57 39.9 mm |
1.11 28.2 mm |
1.84 46.7 mm |
1.38 35.1 mm |
1.00 25.4 mm |
0.92 23.4 mm |
3,000 PSI 20.7 MPa |
| 18S6F4-PF6 |
9/16-18 UNF-2A |
3/8-18 NPTF |
3.05 77.5 mm |
1.50 38.1 mm |
1.57 39.9 mm |
1.11 28.2 mm |
1.84 46.7 mm |
1.38 35.1 mm |
1.00 25.4 mm |
0.92 23.4 mm |
3,000 PSI 20.7 MPa |
| 18S6F6-PF4 |
11/16-16 UN-2A |
1/4-18 NPTF |
3.05 77.5 mm |
1.50 38.1 mm |
1.62 41.1 mm |
1.16 29.5 mm |
1.84 46.7 mm |
1.38 35.1 mm |
1.00 25.4 mm |
0.92 23.4 mm |
3,000 PSI 20.7 MPa |
| 18S6F6-PF6 |
11/16-16 UN-2A |
3/8-18 NPTF |
3.05 77.5 mm |
1.50 38.1 mm |
1.62 41.1 mm |
1.16 29.5 mm |
1.84 46.7 mm |
1.38 35.1 mm |
1.00 25.4 mm |
0.92 23.4 mm |
3,000 PSI 20.7 MPa |
| 18S6F8-PF4 |
13/16-16 UN-2A |
1/4-18 NPTF |
3.05 77.5 mm |
1.50 38.1 mm |
1.74 44.2 mm |
1.26 32.0 mm |
1.84 46.7 mm |
1.38 35.1 mm |
1.00 25.4 mm |
0.92 23.4 mm |
3,000 PSI 20.7 MPa |
| 18S6F8-PF6 |
13/16-16 UN-2A |
3/8-18 NPTF |
3.05 77.5 mm |
1.50 38.1 mm |
1.74 44.2 mm |
1.26 32.0 mm |
1.84 46.7 mm |
1.38 35.1 mm |
1.00 25.4 mm |
0.92 23.4 mm |
3,000 PSI 20.7 MPa |
| 18S8F8-PF8 |
13/16-16 UN-2A |
1/2-14 NPTF |
3.03 77.0 mm |
1.49 37.8 mm |
2.12 53.8 mm |
1.37 34.8 mm |
2.59 65.8 mm |
1.84 46.7 mm |
1.13 28.7 mm |
1.50 38.1 mm |
3,000 PSI 20.7 MPa |
| 18S8F10-PF8 |
1-14 UNS-2A |
1/2-14 NPTF |
3.03 77.0 mm |
1.49 37.8 mm |
2.28 57.9 mm |
1.53 38.9 mm |
2.59 65.8 mm |
1.84 46.7 mm |
1.13 28.7 mm |
1.50 38.1 mm |
3,000 PSI 20.7 MPa |
| 18S12F12-PF12 |
1 3/16-12 UN-2A |
3/4-14 NPTF |
3.77 95.8 mm |
1.86 47.2 mm |
2.83 71.9 mm |
1.88 47.8 mm |
3.19 81.0 mm |
2.24 56.9 mm |
1.38 35.1 mm |
1.90 48.3 mm |
3,000 PSI 20.7 MPa |
| 18S16F16-PF16 |
1 7/16-12 UN-2A |
1-11 1/2 NPTF |
4.37 111.0 mm |
2.24 56.9 mm |
3.12 79.2 mm |
2.05 52.1 mm |
3.54 89.9 mm |
2.48 63.0 mm |
1.63 41.4 mm |
2.13 54.1 mm |
3,000 PSI 20.7 MPa |
| 18S20F20-PF20 |
1 11/16-12 UN-2A |
1 1/4-11 1/2 NPTF |
4.96 126.0 mm |
2.50 63.5 mm |
3.57 90.7 mm |
2.20 55.9 mm |
4.00 101.6 mm |
2.63 66.8 mm |
2.00 50.8 mm |
2.75 69.9 mm |
3,000 PSI 20.7 MPa |
| 18S24F24-PF24 |
2-12 UN-2A |
1 1/2-11 1/2 NPTF |
6.68 169.7 mm |
3.36 85.3 mm |
4.33 110.0 mm |
2.58 65.5 mm |
5.20 132.1 mm |
3.45 87.6 mm |
2.37 60.2 mm |
3.50 88.9 mm |
3,000 PSI 20.7 MPa |
SWIVELS | 18S-PARALLEL PLANE SWIVEL | MALE O-RING FACE SEAL TO FEMALE PIPE UNION
MALE O-RING FACE SEAL TO FEMALE PIPE UNION
male-o-ring-face-seal-to-female-pipe-union

| Part Number |
T1 |
T2 |
A |
B |
C |
D |
E |
F |
H Hex |
J Hex(* = Round) |
K Dia. |
Max W.P. |
| 18S6F4-PU4 |
9/16-18 UNF-2A |
1/4-18 NPSM |
3.05 77.5 mm |
1.50 38.1 mm |
1.57 39.9 mm |
1.11 28.2 mm |
1.73 43.9 mm |
1.27 32.3 mm |
1.00 25.4 mm |
0.75 19.1 mm |
0.92 23.4 mm |
3,000 PSI 20.7 MPa |
| 18S6F4-PU6 |
9/16-18 UNF-2A |
3/8-18 NPSM |
3.05 77.5 mm |
1.50 38.1 mm |
1.57 39.9 mm |
1.11 28.2 mm |
1.86 47.2 mm |
1.40 35.6 mm |
1.00 25.4 mm |
0.87 22.1 mm |
0.92 23.4 mm |
3,000 PSI 20.7 MPa |
| 18S6F6-PU4 |
11/16-16 UN-2A |
1/4-18 NPSM |
3.05 77.5 mm |
1.50 38.1 mm |
1.62 41.1 mm |
1.16 29.5 mm |
1.73 43.9 mm |
1.27 32.3 mm |
1.00 25.4 mm |
0.75 19.1 mm |
0.92 23.4 mm |
3,000 PSI 20.7 MPa |
| 18S6F6-PU6 |
11/16-16 UN-2A |
3/8-18 NPSM |
3.05 77.5 mm |
1.50 38.1 mm |
1.62 41.1 mm |
1.16 29.5 mm |
1.86 47.2 mm |
1.40 35.6 mm |
1.00 25.4 mm |
0.87 22.1 mm |
0.92 23.4 mm |
3,000 PSI 20.7 MPa |
| 18S6F8-PU4 |
13/16-16 UN-2A |
1/4-18 NPSM |
3.05 77.5 mm |
1.50 38.1 mm |
1.74 44.2 mm |
1.26 32.0 mm |
1.73 43.9 mm |
1.27 32.3 mm |
1.00 25.4 mm |
0.75 19.1 mm |
0.92 23.4 mm |
3,000 PSI 20.7 MPa |
| 18S6F8-PU6 |
13/16-16 UN-2A |
3/8-18 NPSM |
3.05 77.5 mm |
1.50 38.1 mm |
1.74 44.2 mm |
1.26 32.0 mm |
1.86 47.2 mm |
1.40 35.6 mm |
1.00 25.4 mm |
0.87 22.1 mm |
0.92 23.4 mm |
3,000 PSI 20.7 MPa |
| 18S8F8-PU8 |
13/16-16 UN-2A |
1/2-14 NPSM |
3.03 77.0 mm |
1.49 37.8 mm |
2.12 53.8 mm |
1.37 34.8 mm |
2.39 60.7 mm |
1.64 41.7 mm |
1.13 28.7 mm |
1.00 25.4 mm |
1.50 38.1 mm |
3,000 PSI 20.7 MPa |
| 18S8F10-PU8 |
1-14 UNS-2A |
1/2-14 NPSM |
3.03 77.0 mm |
1.49 37.8 mm |
2.28 57.9 mm |
1.53 38.9 mm |
2.39 60.7 mm |
1.64 41.7 mm |
1.13 28.7 mm |
1.00 25.4 mm |
1.50 38.1 mm |
3,000 PSI 20.7 MPa |
| 18S12F12-PU12 |
1 3/16-12 UN-2A |
3/4-14 NPSM |
3.77 95.8 mm |
1.86 47.2 mm |
2.83 71.9 mm |
1.88 47.8 mm |
2.98 75.7 mm |
2.03 51.6 mm |
1.38 35.1 mm |
1.25 31.8 mm |
1.90 48.3 mm |
3,000 PSI 20.7 MPa |
| 18S16F16-PU16 |
1 7/16-12 UN-2A |
1-11 1/2 NPSM |
4.37 111.0 mm |
2.24 56.9 mm |
3.12 79.2 mm |
2.05 52.1 mm |
3.31 84.1 mm |
2.25 57.2 mm |
1.63 41.4 mm |
1.63 41.4 mm |
2.13 54.1 mm |
3,000 PSI 20.7 MPa |
| 18S20F20-PU20 |
1 11/16-12 UN-2A |
1 1/4-11 1/2 NPSM |
4.96 126.0 mm |
2.50 63.5 mm |
3.57 90.7 mm |
2.20 55.9 mm |
4.02 102.1 mm |
2.64 67.1 mm |
2.00 50.8 mm |
1.87 47.5 mm |
2.75 69.9 mm |
3,000 PSI 20.7 MPa |
| 18S24F24-PU24 |
2-12 UN-2A |
1 1/2-11 1/2 NPSM |
6.68 169.7 mm |
3.36 85.3 mm |
4.33 110.0 mm |
2.58 65.5 mm |
4.86 123.4 mm |
3.11 79.0 mm |
2.37 60.2 mm |
2.25 57.2 mm |
3.50 88.9 mm |
3,000 PSI 20.7 MPa |
SWIVELS | 18S-PARALLEL PLANE SWIVEL | MALE O-RING FACE SEAL TO FEMALE O-RING FACE SEAL UNION
MALE O-RING FACE SEAL TO FEMALE O-RING FACE SEAL UNION
male-o-ring-face-seal-to-female-o-ring-face-seal-union

| Part Number |
T1 |
T2 |
A |
B |
C |
D |
E |
F |
G |
H Hex |
J Hex |
K Dia. |
Max W.P. |
| 18S6F4-FU6 |
9/16-18 UN-2A |
11/16-16 UN-2B |
3.05 77.5 mm |
1.50 38.1 mm |
1.57 39.9 mm |
1.11 28.2 mm |
1.93 49.0 mm |
1.47 37.3 mm |
1.13 28.7 mm |
1.00 25.4 mm |
0.81 20.6 mm |
0.92 23.4 mm |
3,000 PSI 20.7 MPa |
| 18S6F6-FU6 |
11/16-16 UN-2A |
11/16-16 UN-2B |
3.05 77.5 mm |
1.50 38.1 mm |
1.62 41.1 mm |
1.16 29.5 mm |
1.93 49.0 mm |
1.47 37.3 mm |
1.13 28.7 mm |
1.00 25.4 mm |
0.81 20.6 mm |
0.92 23.4 mm |
3,000 PSI 20.7 MPa |
| 18S6F8-FU6 |
13/16-16 UN-2A |
11/16-16 UN-2B |
3.05 77.5 mm |
1.50 38.1 mm |
1.74 44.2 mm |
1.26 32.0 mm |
1.93 49.0 mm |
1.47 37.3 mm |
1.13 28.7 mm |
1.00 25.4 mm |
0.81 20.6 mm |
0.92 23.4 mm |
3,000 PSI 20.7 MPa |
| 18S8F8-FU8 |
13/16-16 UN-2A |
13/16-16 UN-2B |
3.03 77.0 mm |
1.49 37.8 mm |
2.12 53.8 mm |
1.37 34.8 mm |
2.55 64.8 mm |
1.80 45.7 mm |
1.41 35.8 mm |
1.13 28.7 mm |
0.94 23.9 mm |
1.50 38.1 mm |
3,000 PSI 20.7 MPa |
| 18S8F8-FU10 |
13/16-16 UN-2A |
1-14 UN-2B |
3.03 77.0 mm |
1.49 37.8 mm |
2.12 53.8 mm |
1.37 34.8 mm |
2.71 68.8 mm |
1.96 49.8 mm |
1.51 38.4 mm |
1.13 28.7 mm |
1.12 28.4 mm |
1.50 38.1 mm |
3,000 PSI 20.7 MPa |
| 18S8F10-FU8 |
1-14 UN-2A |
13/16-16 UN-2B |
3.03 77.0 mm |
1.49 37.8 mm |
2.28 57.9 mm |
1.53 38.9 mm |
2.55 64.8 mm |
1.80 45.7 mm |
1.41 35.8 mm |
1.13 28.7 mm |
0.94 23.9 mm |
1.50 38.1 mm |
3,000 PSI 20.7 MPa |
| 18S8F10-FU10 |
1-14 UN-2A |
1-14 UN-2B |
3.03 77.0 mm |
1.49 37.8 mm |
2.28 57.9 mm |
1.53 38.9 mm |
2.71 68.8 mm |
1.96 49.8 mm |
1.51 38.4 mm |
1.13 28.7 mm |
1.12 28.4 mm |
1.50 38.1 mm |
3,000 PSI 20.7 MPa |
| 18S12F12-FU12 |
1 3/16-12 UN-2A |
1 3/16-12 UN-2B |
3.77 95.8 mm |
1.86 47.2 mm |
2.83 71.9 mm |
1.88 47.8 mm |
3.34 84.8 mm |
2.39 60.7 mm |
1.86 47.2 mm |
1.38 35.1 mm |
1.38 35.1 mm |
1.90 48.3 mm |
3,000 PSI 20.7 MPa |
| 18S16F16-FU16 |
1 7/16-12 UN-2A |
1 7/16-12 UN-2B |
4.37 111.0 mm |
2.24 56.9 mm |
3.12 79.2 mm |
2.05 52.1 mm |
3.66 93.0 mm |
2.60 66.0 mm |
2.06 52.3 mm |
1.63 41.4 mm |
1.63 41.4 mm |
2.13 54.1 mm |
3,000 PSI 20.7 MPa |
| 18S20F20-FU20 |
1 11/16-12 UN-2A |
1 11/16-12 UN-2B |
4.96 126.0 mm |
2.50 63.5 mm |
3.57 90.7 mm |
2.20 55.9 mm |
4.09 103.9 mm |
2.72 69.1 mm |
2.20 55.9 mm |
2.00 50.8 mm |
2.00 50.8 mm |
2.75 69.9 mm |
3,000 PSI 20.7 MPa |
| 18S24F24-FU24 |
2-12 UN-2A |
2-12 UN-2B |
6.68 169.7 mm |
3.36 85.3 mm |
4.33 110.0 mm |
2.58 65.5 mm |
4.93 125.2 mm |
3.18 80.8 mm |
2.59 65.8 mm |
2.37 60.2 mm |
2.25 57.2 mm |
3.50 88.9 mm |
3,000 PSI 20.7 MPa |
SWIVELS | 18S-PARALLEL PLANE SWIVEL | FEMALE O-RING FACE SEAL UNION TO MALE O-RING FACE SEAL
FEMALE O-RING FACE SEAL UNION TO MALE O-RING FACE SEAL
female-o-ring-face-seal-union-to-male-o-ring-face-seal

| Part Number |
T1 |
T2 |
A |
B |
C |
D |
E |
F |
G |
H Hex |
J Hex |
K Dia. |
Max W.P. |
| 18S6FU6-F4 |
11/16-16 UN-2B |
9/16-18 UNF-2A |
3.05 77.5 mm |
1.50 38.1 mm |
1.93 49.0 mm |
1.47 37.3 mm |
1.57 39.9 mm |
1.11 28.2 mm |
1.13 28.7 mm |
1.00 25.4 mm |
0.81 20.6 mm |
0.92 23.4 mm |
3,000 PSI 20.7 MPa |
| 18S6FU6-F6 |
11/16-16 UN-2B |
11/16-16 UN-2A |
3.05 77.5 mm |
1.50 38.1 mm |
1.93 49.0 mm |
1.47 37.3 mm |
1.62 41.1 mm |
1.16 29.5 mm |
1.13 28.7 mm |
1.00 25.4 mm |
0.81 20.6 mm |
0.92 23.4 mm |
3,000 PSI 20.7 MPa |
| 18S6FU6-F8 |
11/16-16 UN-2B |
13/16-16 UN-2A |
3.05 77.5 mm |
1.50 38.1 mm |
1.93 49.0 mm |
1.47 37.3 mm |
1.74 44.2 mm |
1.26 32.0 mm |
1.13 28.7 mm |
1.00 25.4 mm |
0.81 20.6 mm |
0.92 23.4 mm |
3,000 PSI 20.7 MPa |
| 18S8FU8-F8 |
13/16-16 UN-2B |
13/16-16 UN-2A |
3.03 77.0 mm |
1.49 37.8 mm |
2.55 64.8 mm |
1.80 45.7 mm |
2.12 53.8 mm |
1.37 34.8 mm |
1.41 35.8 mm |
1.13 28.7 mm |
0.94 23.9 mm |
1.50 38.1 mm |
3,000 PSI 20.7 MPa |
| 18S8FU8-F10 |
13/16-16 UN-2B |
1-14 UNS-2A |
3.03 77.0 mm |
1.49 37.8 mm |
2.55 64.8 mm |
1.80 45.7 mm |
2.28 57.9 mm |
1.53 38.9 mm |
1.41 35.8 mm |
1.13 28.7 mm |
0.94 23.9 mm |
1.50 38.1 mm |
3,000 PSI 20.7 MPa |
| 18S8FU10-F8 |
1-14 UNS-2B |
13/16-16 UN-2A |
3.03 77.0 mm |
1.49 37.8 mm |
2.71 68.8 mm |
1.96 49.8 mm |
2.12 53.8 mm |
1.37 34.8 mm |
1.51 38.4 mm |
1.13 28.7 mm |
1.12 28.4 mm |
1.50 38.1 mm |
3,000 PSI 20.7 MPa |
| 18S8FU10-F10 |
1-14 UNS-2B |
1-14 UNS-2A |
3.03 77.0 mm |
1.49 37.8 mm |
2.71 68.8 mm |
1.96 49.8 mm |
2.28 57.9 mm |
1.53 38.9 mm |
1.51 38.4 mm |
1.13 28.7 mm |
1.12 28.4 mm |
1.50 38.1 mm |
3,000 PSI 20.7 MPa |
| 18S12FU12-F12 |
1 3/16-12 UN-2B |
1 3/16-12 UN-2A |
3.77 95.8 mm |
1.86 47.2 mm |
3.34 84.8 mm |
2.39 60.7 mm |
2.83 71.9 mm |
1.88 47.8 mm |
1.86 47.2 mm |
1.38 35.1 mm |
1.38 35.1 mm |
1.90 48.3 mm |
3,000 PSI 20.7 MPa |
| 18S16FU16-F16 |
1 7/16-12 UN-2B |
1 7/16-12 UN-2A |
4.37 111.0 mm |
2.24 56.9 mm |
3.66 93.0 mm |
2.60 66.0 mm |
3.12 79.2 mm |
2.05 52.1 mm |
2.06 52.3 mm |
1.63 41.4 mm |
1.63 41.4 mm |
2.13 54.1 mm |
3,000 PSI 20.7 MPa |
| 18S20FU20-F20 |
1 11/16-12 UN-2B |
1 11/16-12 UN-2A |
4.96 126.0 mm |
2.50 63.5 mm |
4.09 103.9 mm |
2.72 69.1 mm |
3.57 90.7 mm |
2.20 55.9 mm |
2.20 55.9 mm |
2.00 50.8 mm |
2.00 50.8 mm |
2.75 69.9 mm |
3,000 PSI 20.7 MPa |
| 18S24FU24-F24 |
2-12 UN-2B |
2-12 UN-2A |
6.68 169.7 mm |
3.36 85.3 mm |
4.93 125.2 mm |
3.18 80.8 mm |
4.33 110.0 mm |
2.58 65.5 mm |
2.59 65.8 mm |
2.37 60.2 mm |
2.25 57.2 mm |
3.50 88.9 mm |
3,000 PSI 20.7 MPa |
SWIVELS | 18S-PARALLEL PLANE SWIVEL | FEMALE O-RING FACE SEAL UNION TO FEMALE O-RING FACE SEAL UNION
FEMALE O-RING FACE SEAL UNION TO FEMALE O-RING FACE SEAL UNION
female-o-ring-face-seal-union-to-female-o-ring-face-seal-union

| Part Number |
T1 |
T2 |
A |
B |
C |
D |
E |
F |
G |
H Hex |
J Hex |
K Dia. |
L Hex |
Max W.P. |
| 18S6FU6-FU6 |
11/16-16 UN-2B |
11/16-16 UN-2B |
3.05 77.5 mm |
1.50 38.1 mm |
1.93 49.0 mm |
1.47 37.3 mm |
1.93 49.0 mm |
1.47 37.3 mm |
1.13 28.7 mm |
1.00 25.4 mm |
0.81 20.6 mm |
0.92 23.4 mm |
0.81 20.6 mm |
3,000 PSI 20.7 MPa |
| 18S8FU8-FU8 |
13/16-16 UN-2B |
13/16-16 UN-2B |
3.03 77.0 mm |
1.49 37.8 mm |
2.55 64.8 mm |
1.80 45.7 mm |
2.55 64.8 mm |
1.80 45.7 mm |
1.41 35.8 mm |
1.13 28.7 mm |
0.94 23.9 mm |
1.50 38.1 mm |
0.94 23.9 mm |
3,000 PSI 20.7 MPa |
| 18S8FU8-FU10 |
13/16-16 UN-2B |
1-14 UNS-2B |
3.03 77.0 mm |
1.49 37.8 mm |
2.55 64.8 mm |
1.80 45.7 mm |
2.71 68.8 mm |
1.96 49.8 mm |
1.41 35.8 mm |
1.13 28.7 mm |
0.94 23.9 mm |
1.50 38.1 mm |
1.12 28.4 mm |
3,000 PSI 20.7 MPa |
| 18S8FU10-FU10 |
1-14 UNS-2B |
1-14 UNS-2B |
3.03 77.0 mm |
1.49 37.8 mm |
2.71 68.8 mm |
1.96 49.8 mm |
2.71 68.8 mm |
1.96 49.8 mm |
1.51 38.4 mm |
1.13 28.7 mm |
1.12 28.4 mm |
1.50 38.1 mm |
1.12 28.4 mm |
3,000 PSI 20.7 MPa |
| 18S12FU12-FU12 |
1 3/16-12 UN-2B |
1 3/16-12 UN-2B |
3.77 95.8 mm |
1.86 47.2 mm |
3.34 84.8 mm |
2.39 60.7 mm |
3.34 84.8 mm |
2.39 60.7 mm |
1.86 47.2 mm |
1.38 35.1 mm |
1.38 35.1 mm |
1.90 48.3 mm |
1.38 35.1 mm |
3,000 PSI 20.7 MPa |
| 18S16FU16-FU16 |
1 7/16-12 UN-2B |
1 7/16-12 UN-2B |
4.37 111.0 mm |
2.24 56.9 mm |
3.66 93.0 mm |
2.60 66.0 mm |
3.66 93.0 mm |
2.60 66.0 mm |
2.06 52.3 mm |
1.63 41.4 mm |
1.63 41.4 mm |
2.13 54.1 mm |
1.63 41.4 mm |
3,000 PSI 20.7 MPa |
| 18S20FU20-FU20 |
1 11/16-12 UN-2B |
1 11/16-12 UN-2B |
4.96 126.0 mm |
2.50 63.5 mm |
4.09 103.9 mm |
2.72 69.1 mm |
4.09 103.9 mm |
2.72 69.1 mm |
2.20 55.9 mm |
2.00 50.8 mm |
2.00 50.8 mm |
2.75 69.9 mm |
2.00 50.8 mm |
3,000 PSI 20.7 MPa |
| 18S24FU24-FU24 |
2-12 UN-2B |
2-12 UN-2B |
6.68 169.7 mm |
3.36 85.3 mm |
4.93 125.2 mm |
3.18 80.8 mm |
4.93 125.2 mm |
3.18 80.8 mm |
2.59 65.8 mm |
2.37 60.2 mm |
2.25 57.2 mm |
3.50 88.9 mm |
2.25 57.2 mm |
3,000 PSI 20.7 MPa |
SWIVELS | 18S-PARALLEL PLANE SWIVEL | FEMALE O-RING FACE SEAL UNION TO MALE JIC
FEMALE O-RING FACE SEAL UNION TO MALE JIC
female-o-ring-face-seal-union-to-male-jic

| Part Number |
T1 |
T2 |
A |
B |
C |
D |
E |
F |
G |
H Hex |
J Hex |
K Dia. |
Max W.P. |
| 18S6FU6-J5 |
11/16-16 UN-2B |
1/2-20 UNF-2A |
3.05 77.5 mm |
1.50 38.1 mm |
1.93 49.0 mm |
1.47 37.3 mm |
1.64 41.7 mm |
1.18 30.0 mm |
1.13 28.7 mm |
1.00 25.4 mm |
0.81 20.6 mm |
0.92 23.4 mm |
3,000 PSI 20.7 MPa |
| 18S6FU6-J6 |
11/16-16 UN-2B |
9/16-18 UNF-2A |
3.05 77.5 mm |
1.50 38.1 mm |
1.93 49.0 mm |
1.47 37.3 mm |
1.64 41.7 mm |
1.18 30.0 mm |
1.13 28.7 mm |
1.00 25.4 mm |
0.81 20.6 mm |
0.92 23.4 mm |
3,000 PSI 20.7 MPa |
| 18S6FU6-J8 |
11/16-16 UN-2B |
3/4-16 UNF-2A |
3.05 77.5 mm |
1.50 38.1 mm |
1.93 49.0 mm |
1.47 37.3 mm |
1.95 49.5 mm |
1.49 37.8 mm |
1.13 28.7 mm |
1.00 25.4 mm |
0.81 20.6 mm |
0.92 23.4 mm |
3,000 PSI 20.7 MPa |
| 18S8FU8-J8 |
13/16-16 UN-2B |
3/4-16 UNF-2A |
3.03 77.0 mm |
1.49 37.8 mm |
2.55 64.8 mm |
1.80 45.7 mm |
2.19 55.6 mm |
1.45 36.8 mm |
1.41 35.8 mm |
1.13 28.7 mm |
0.94 23.9 mm |
1.50 38.1 mm |
3,000 PSI 20.7 MPa |
| 18S8FU8-J10 |
13/16-16 UN-2B |
7/8-14 UNF-2A |
3.03 77.0 mm |
1.49 37.8 mm |
2.55 64.8 mm |
1.80 45.7 mm |
2.29 58.2 mm |
1.54 39.1 mm |
1.41 35.8 mm |
1.13 28.7 mm |
0.94 23.9 mm |
1.50 38.1 mm |
3,000 PSI 20.7 MPa |
| 18S8FU10-J8 |
1-14 UNS-2B |
3/4-16 UNF-2A |
3.03 77.0 mm |
1.49 37.8 mm |
2.71 68.8 mm |
1.96 49.8 mm |
2.19 55.6 mm |
1.45 36.8 mm |
1.51 38.4 mm |
1.13 28.7 mm |
1.12 28.4 mm |
1.50 38.1 mm |
3,000 PSI 20.7 MPa |
| 18S8FU10-J10 |
1-14 UNS-2B |
7/8-14 UNF-2A |
3.03 77.0 mm |
1.49 37.8 mm |
2.71 68.8 mm |
1.96 49.8 mm |
2.29 58.2 mm |
1.54 39.1 mm |
1.51 38.4 mm |
1.13 28.7 mm |
1.12 28.4 mm |
1.50 38.1 mm |
3,000 PSI 20.7 MPa |
| 18S12FU12-J12 |
1 3/16-12 UN-2B |
1 1/16-12 UN-2A |
3.77 95.8 mm |
1.86 47.2 mm |
3.34 84.8 mm |
2.39 60.7 mm |
2.92 74.2 mm |
1.97 50.0 mm |
1.86 47.2 mm |
1.38 35.1 mm |
1.38 35.1 mm |
1.90 48.3 mm |
3,000 PSI 20.7 MPa |
| 18S16FU16-J16 |
1 7/16-12 UN-2B |
1 5/16-12 UN-2A |
4.37 111.0 mm |
2.24 56.9 mm |
3.66 93.0 mm |
2.60 66.0 mm |
3.23 82.0 mm |
2.17 55.1 mm |
2.06 52.3 mm |
1.63 41.4 mm |
1.63 41.4 mm |
2.13 54.1 mm |
3,000 PSI 20.7 MPa |
| 18S20FU20-J20 |
1 11/16-12 UN-2B |
1 5/8-12 UN-2A |
4.96 126.0 mm |
2.50 63.5 mm |
4.09 103.9 mm |
2.72 69.1 mm |
3.90 99.1 mm |
2.52 64.0 mm |
2.20 55.9 mm |
2.00 50.8 mm |
2.00 50.8 mm |
2.75 69.9 mm |
3,000 PSI 20.7 MPa |
| 18S24FU24-J24 |
2-12 UN-2B |
1 7/8-12 UN-2A |
6.68 169.7 mm |
3.36 85.3 mm |
4.93 125.2 mm |
3.18 80.8 mm |
4.66 118.4 mm |
3.01 76.5 mm |
2.59 65.8 mm |
2.37 60.2 mm |
2.25 57.2 mm |
3.50 88.9 mm |
3,000 PSI 20.7 MPa |
SWIVELS | 18S-PARALLEL PLANE SWIVEL | FEMALE O-RING FACE SEAL UNION TO MALE PIPE
FEMALE O-RING FACE SEAL UNION TO MALE PIPE
female-o-ring-face-seal-union-to-male-pipe

| Part Number |
T1 |
T2 |
A |
B |
C |
D |
E |
F |
G |
H Hex |
J Hex |
K Dia. |
Max W.P. |
| 18S6FU6-P4 |
11/16-16 UN-2B |
1/4-18 NPTF |
3.05 77.5 mm |
1.50 38.1 mm |
1.93 49.0 mm |
1.47 37.3 mm |
1.96 49.8 mm |
1.50 38.1 mm |
1.13 28.7 mm |
1.00 25.4 mm |
0.81 20.6 mm |
0.92 23.4 mm |
3,000 PSI 20.7 MPa |
| 18S6FU6-P6 |
11/16-16 UN-2B |
3/8-18 NPTF |
3.05 77.5 mm |
1.50 38.1 mm |
1.93 49.0 mm |
1.47 37.3 mm |
1.96 49.8 mm |
1.50 38.1 mm |
1.13 28.7 mm |
1.00 25.4 mm |
0.81 20.6 mm |
0.92 23.4 mm |
3,000 PSI 20.7 MPa |
| 18S8FU8-P8 |
13/16-16 UN-2B |
1/2-14 NPTF |
3.03 77.0 mm |
1.49 37.8 mm |
2.55 64.8 mm |
1.80 45.7 mm |
2.65 67.3 mm |
1.90 48.3 mm |
1.41 35.8 mm |
1.13 28.7 mm |
0.94 23.9 mm |
1.50 38.1 mm |
3,000 PSI 20.7 MPa |
| 18S8FU10-P8 |
1-14 UNS-2B |
1/2-14 NPTF |
3.03 77.0 mm |
1.49 37.8 mm |
2.71 68.8 mm |
1.96 49.8 mm |
2.65 67.3 mm |
1.90 48.3 mm |
1.51 38.4 mm |
1.13 28.7 mm |
1.12 28.4 mm |
1.50 38.1 mm |
3,000 PSI 20.7 MPa |
| 18S12FU12-P12 |
1 3/16-12 UN-2B |
3/4-14 NPTF |
3.77 95.8 mm |
1.86 47.2 mm |
3.34 84.8 mm |
2.39 60.7 mm |
3.21 81.5 mm |
2.26 57.4 mm |
1.86 47.2 mm |
1.38 35.1 mm |
1.38 35.1 mm |
1.90 48.3 mm |
3,000 PSI 20.7 MPa |
| 18S16FU16-P16 |
1 7/16-12 UN-2B |
1-11 1/2 NPTF |
4.37 111.0 mm |
2.24 56.9 mm |
3.66 93.0 mm |
2.60 66.0 mm |
3.74 95.0 mm |
2.65 67.3 mm |
2.06 52.3 mm |
1.63 41.4 mm |
1.63 41.4 mm |
2.13 54.1 mm |
3,000 PSI 20.7 MPa |
| 18S20FU20-P20 |
1 11/16-12 UN-2B |
1 1/4-11 1/2 NPTF |
4.96 126.0 mm |
2.50 63.5 mm |
4.09 103.9 mm |
2.72 69.1 mm |
4.36 110.7 mm |
2.99 75.9 mm |
2.20 55.9 mm |
2.00 50.8 mm |
2.00 50.8 mm |
2.75 69.9 mm |
3,000 PSI 20.7 MPa |
| 18S24FU24-P24 |
2-12 UN-2B |
1 1/2-11 1/2 NPTF |
6.68 169.7 mm |
3.36 85.3 mm |
4.93 125.2 mm |
3.18 80.8 mm |
5.45 138.4 mm |
3.70 94.0 mm |
2.59 65.8 mm |
2.37 60.2 mm |
2.25 57.2 mm |
3.50 88.9 mm |
3,000 PSI 20.7 MPa |
SWIVELS | 18S-PARALLEL PLANE SWIVEL | FEMALE O-RING FACE SEAL UNION TO FEMALE PIPE
FEMALE O-RING FACE SEAL UNION TO FEMALE PIPE
female-o-ring-face-seal-union-to-female-pipe

| Part Number |
T1 |
T2 |
A |
B |
C |
D |
E |
F |
G |
H Hex |
J Hex |
K Dia. |
Max W.P. |
| 18S6FU6-PF4 |
11/16-16 UN-2B |
1/4-18 NPTF |
3.05 77.5 mm |
1.50 38.1 mm |
1.93 49.0 mm |
1.47 37.3 mm |
1.84 46.7 mm |
1.38 35.1 mm |
1.13 28.7 mm |
1.00 25.4 mm |
0.81 20.6 mm |
0.92 23.4 mm |
3,000 PSI 20.7 MPa |
| 18S6FU6-PF6 |
11/16-16 UN-2B |
3/8-18 NPTF |
3.05 77.5 mm |
1.50 38.1 mm |
1.93 49.0 mm |
1.47 37.3 mm |
1.84 46.7 mm |
1.38 35.1 mm |
1.13 28.7 mm |
1.00 25.4 mm |
0.81 20.6 mm |
0.92 23.4 mm |
3,000 PSI 20.7 MPa |
| 18S8FU8-PF8 |
13/16-16 UN-2B |
1/2-14 NPTF |
3.03 77.0 mm |
1.49 37.8 mm |
2.55 64.8 mm |
1.80 45.7 mm |
2.59 65.8 mm |
1.84 46.7 mm |
1.41 35.8 mm |
1.13 28.7 mm |
0.94 23.9 mm |
1.50 38.1 mm |
3,000 PSI 20.7 MPa |
| 18S8FU10-PF8 |
1-14 UNS-2B |
1/2-14 NPTF |
3.03 77.0 mm |
1.49 37.8 mm |
2.71 68.8 mm |
1.96 49.8 mm |
2.59 65.8 mm |
1.84 46.7 mm |
1.51 38.4 mm |
1.13 28.7 mm |
1.12 28.4 mm |
1.50 38.1 mm |
3,000 PSI 20.7 MPa |
| 18S12FU12-PF12 |
1 3/16-12 UN-2B |
3/4-14 NPTF |
3.77 95.8 mm |
1.86 47.2 mm |
3.34 84.8 mm |
2.39 60.7 mm |
3.19 81.0 mm |
2.24 56.9 mm |
1.86 47.2 mm |
1.38 35.1 mm |
1.38 35.1 mm |
1.90 48.3 mm |
3,000 PSI 20.7 MPa |
| 18S16FU16-PF16 |
1 7/16-12 UN-2B |
1-11 1/2 NPTF |
4.37 111.0 mm |
2.24 56.9 mm |
3.66 93.0 mm |
2.60 66.0 mm |
3.54 89.9 mm |
2.48 63.0 mm |
2.06 52.3 mm |
1.63 41.4 mm |
1.63 41.4 mm |
2.13 54.1 mm |
3,000 PSI 20.7 MPa |
| 18S20FU20-PF20 |
1 11/16-12 UN-2B |
1 1/4-11 1/2 NPTF |
4.96 126.0 mm |
2.50 63.5 mm |
4.09 103.9 mm |
2.72 69.1 mm |
4.00 101.6 mm |
2.63 66.8 mm |
2.20 55.9 mm |
2.00 50.8 mm |
2.00 50.8 mm |
2.75 69.9 mm |
3,000 PSI 20.7 MPa |
| 18S24FU24-PF24 |
2-12 UN-2B |
1 1/2-11 1/2 NPTF |
6.68 169.7 mm |
3.36 85.3 mm |
4.93 125.2 mm |
3.18 80.8 mm |
5.20 132.1 mm |
3.45 87.6 mm |
2.59 65.8 mm |
2.37 60.2 mm |
2.25 57.2 mm |
3.50 88.9 mm |
3,000 PSI 20.7 MPa |
SWIVELS | 18S-PARALLEL PLANE SWIVEL | FEMALE O-RING FACE SEAL UNION TO FEMALE PIPE UNION
FEMALE O-RING FACE SEAL UNION TO FEMALE PIPE UNION
female-o-ring-face-seal-union-to-female-pipe-union

| Part Number |
T1 |
T2 |
A |
B |
C |
D |
E |
F |
G |
H Hex |
J Hex |
K Dia. |
L Hex |
Max W.P. |
| 18S6FU6-PU4 |
11/16-16 UN-2B |
1/4-18 NPSM |
3.05 77.5 mm |
1.50 38.1 mm |
1.93 49.0 mm |
1.47 37.3 mm |
1.73 43.9 mm |
1.27 32.3 mm |
1.13 28.7 mm |
1.00 25.4 mm |
0.81 20.6 mm |
0.92 23.4 mm |
0.75 19.1 mm |
3,000 PSI 20.7 MPa |
| 18S6FU6-PU6 |
11/16-16 UN-2B |
3/8-18 NPSM |
3.05 77.5 mm |
1.50 38.1 mm |
1.93 49.0 mm |
1.47 37.3 mm |
1.86 47.2 mm |
1.40 35.6 mm |
1.13 28.7 mm |
1.00 25.4 mm |
0.81 20.6 mm |
0.92 23.4 mm |
0.87 22.1 mm |
3,000 PSI 20.7 MPa |
| 18S8FU8-PU8 |
13/16-16 UN-2B |
1/2-14 NPSM |
3.03 77.0 mm |
1.49 37.8 mm |
2.55 64.8 mm |
1.80 45.7 mm |
2.39 60.7 mm |
1.64 41.7 mm |
1.41 35.8 mm |
1.13 28.7 mm |
0.94 23.9 mm |
1.50 38.1 mm |
1.00 25.4 mm |
3,000 PSI 20.7 MPa |
| 18S8FU10-PU8 |
1-14 UNS-2B |
1/2-14 NPSM |
3.03 77.0 mm |
1.49 37.8 mm |
2.71 68.8 mm |
1.96 49.8 mm |
2.39 60.7 mm |
1.64 41.7 mm |
1.51 38.4 mm |
1.13 28.7 mm |
1.12 28.4 mm |
1.50 38.1 mm |
1.00 25.4 mm |
3,000 PSI 20.7 MPa |
| 18S12FU12-PU12 |
1 3/16-12 UN-2B |
3/4-14 NPSM |
3.77 95.8 mm |
1.86 47.2 mm |
3.34 84.8 mm |
2.39 60.7 mm |
2.98 75.7 mm |
2.03 51.6 mm |
1.86 47.2 mm |
1.38 35.1 mm |
1.38 35.1 mm |
1.90 48.3 mm |
1.25 31.8 mm |
3,000 PSI 20.7 MPa |
| 18S16FU16-PU16 |
1 7/16-12 UN-2B |
1-11 1/2 NPSM |
4.37 111.0 mm |
2.24 56.9 mm |
3.66 93.0 mm |
2.60 66.0 mm |
3.31 84.1 mm |
2.25 57.2 mm |
2.06 52.3 mm |
1.63 41.4 mm |
1.63 41.4 mm |
2.13 54.1 mm |
1.50 38.1 mm |
3,000 PSI 20.7 MPa |
| 18S20FU20-PU20 |
1 11/16-12 UN-2B |
1 1/4-11 1/2 NPSM |
4.96 126.0 mm |
2.50 63.5 mm |
4.09 103.9 mm |
2.72 69.1 mm |
4.00 101.6 mm |
2.64 67.1 mm |
2.20 55.9 mm |
2.00 50.8 mm |
2.00 50.8 mm |
2.75 69.9 mm |
1.87 47.5 mm |
3,000 PSI 20.7 MPa |
| 18S24FU24-PU24 |
2-12 UN-2B |
1 1/2-11 1/2 NPSM |
6.68 169.7 mm |
3.36 85.3 mm |
4.93 125.2 mm |
3.18 80.8 mm |
4.86 123.4 mm |
3.11 79.0 mm |
2.59 65.8 mm |
2.37 60.2 mm |
2.25 57.2 mm |
3.50 88.9 mm |
2.25 57.2 mm |
3,000 PSI 20.7 MPa |
SWIVELS | 18S-PARALLEL PLANE SWIVEL | MALE JIC TO MALE JIC
MALE JIC TO MALE JIC
male-jic-to-male-jic

| Part Number |
T1 |
T2 |
A |
B |
C |
D |
E |
F |
H Hex |
K Dia. |
Max W.P. |
| 18S6J5-J5 |
1/2-20 UNF-2A |
1/2-20 UNF-2A |
3.05 77.5 mm |
1.50 38.1 mm |
1.64 41.7 mm |
1.18 30.0 mm |
1.64 41.7 mm |
1.18 30.0 mm |
1.00 25.4 mm |
0.92 23.4 mm |
3,000 PSI 20.7 MPa |
| 18S6J5-J6 |
1/2-20 UNF-2A |
9/16-18 UNF-2A |
3.05 77.5 mm |
1.50 38.1 mm |
1.64 41.7 mm |
1.18 30.0 mm |
1.64 41.7 mm |
1.18 30.0 mm |
1.00 25.4 mm |
0.92 23.4 mm |
3,000 PSI 20.7 MPa |
| 18S6J5-J8 |
1/2-20 UNF-2A |
3/4-16 UNF-2A |
3.05 77.5 mm |
1.50 38.1 mm |
1.64 41.7 mm |
1.18 30.0 mm |
1.64 41.7 mm |
1.18 30.0 mm |
1.00 25.4 mm |
0.92 23.4 mm |
3,000 PSI 20.7 MPa |
| 18S6J6-J6 |
9/16-18 UNF-2A |
9/16-18 UNF-2A |
3.05 77.5 mm |
1.50 38.1 mm |
1.64 41.7 mm |
1.18 30.0 mm |
1.64 41.7 mm |
1.18 30.0 mm |
1.00 25.4 mm |
0.92 23.4 mm |
3,000 PSI 20.7 MPa |
| 18S6J6-J8 |
9/16-18 UNF-2A |
3/4-16 UNF-2A |
3.05 77.5 mm |
1.50 38.1 mm |
1.64 41.7 mm |
1.18 30.0 mm |
1.64 41.7 mm |
1.18 30.0 mm |
1.00 25.4 mm |
0.92 23.4 mm |
3,000 PSI 20.7 MPa |
| 18S6J8-J8 |
3/4-16 UNF-2A |
3/4-16 UNF-2A |
3.05 77.5 mm |
1.50 38.1 mm |
1.95 49.5 mm |
1.49 37.8 mm |
1.95 49.5 mm |
1.49 37.8 mm |
1.00 25.4 mm |
0.92 23.4 mm |
3,000 PSI 20.7 MPa |
| 18S8J8-J8 |
3/4-16 UNF-2A |
3/4-16 UNF-2A |
3.03 77.0 mm |
1.49 37.8 mm |
2.19 55.6 mm |
1.45 36.8 mm |
2.19 55.6 mm |
1.45 36.8 mm |
1.13 28.7 mm |
1.50 38.1 mm |
3,000 PSI 20.7 MPa |
| 18S8J8-J10 |
3/4-16 UNF-2A |
7/8-14 UNF-2A |
3.03 77.0 mm |
1.49 37.8 mm |
2.19 55.6 mm |
1.45 36.8 mm |
2.29 58.2 mm |
1.45 36.8 mm |
1.13 28.7 mm |
1.50 38.1 mm |
3,000 PSI 20.7 MPa |
| 18S8J10-J10 |
7/8-14 UNF-2A |
7/8-14 UNF-2A |
3.03 77.0 mm |
1.49 37.8 mm |
2.29 58.2 mm |
1.54 39.1 mm |
2.29 58.2 mm |
1.54 39.1 mm |
1.13 28.7 mm |
1.50 38.1 mm |
3,000 PSI 20.7 MPa |
| 18S12J12-J12 |
1 1/16-12 UN-2A |
1 1/16-12 UN-2A |
3.77 95.8 mm |
1.86 47.2 mm |
2.92 74.2 mm |
1.97 50.0 mm |
2.92 74.2 mm |
1.97 50.0 mm |
1.38 35.1 mm |
1.90 48.3 mm |
3,000 PSI 20.7 MPa |
| 18S16J16-J16 |
1 5/16-12 UN-2A |
1 5/16-12 UN-2A |
4.37 111.0 mm |
2.24 56.9 mm |
3.23 82.0 mm |
2.17 55.1 mm |
3.23 82.0 mm |
2.17 55.1 mm |
1.63 41.4 mm |
2.13 54.1 mm |
3,000 PSI 20.7 MPa |
| 18S20J20-J20 |
1 5/8-12 UN-2A |
1 5/8-12 UN-2A |
4.96 126.0 mm |
2.50 63.5 mm |
3.90 99.1 mm |
2.52 64.0 mm |
3.90 99.1 mm |
2.52 64.0 mm |
2.00 50.8 mm |
2.75 69.9 mm |
3,000 PSI 20.7 MPa |
| 18S24J24-J24 |
1 7/8-12 UN-2A |
1 7/8-12 UN-2A |
6.68 169.7 mm |
3.36 85.3 mm |
4.76 120.9 mm |
3.01 76.5 mm |
4.76 120.9 mm |
3.01 76.5 mm |
2.37 60.2 mm |
3.50 88.9 mm |
3,000 PSI 20.7 MPa |
| 18S32J32-J32 |
2 1/2-12 UN-2A |
2 1/2-12 UN-2A |
7.76 197.1 mm |
3.84 97.5 mm |
5.97 151.6 mm |
3.72 94.5 mm |
5.97 151.6 mm |
3.72 94.5 mm |
2.87 72.9 mm |
4.50 114.3 mm |
3,000 PSI 20.7 MPa |
SWIVELS | 18S-PARALLEL PLANE SWIVEL | MALE PIPE TO MALE JIC
MALE PIPE TO MALE JIC
male-pipe-to-male-jic

| Part Number |
T1 |
T2 |
A |
B |
C |
D |
E |
F |
H Hex |
K Dia. |
Max W.P. |
| 18S6P4-J5 |
1/4-18 NPTF |
1/2-20 UNF-2A |
3.05 77.5 mm |
1.50 38.1 mm |
1.96 49.8 mm |
1.50 38.1 mm |
1.64 41.7 mm |
1.18 30.0 mm |
1.00 25.4 mm |
0.92 23.4 mm |
3,000 PSI 20.7 MPa |
| 18S6P4-J6 |
1/4-18 NPTF |
9/16-18 UNF-2A |
3.05 77.5 mm |
1.50 38.1 mm |
1.96 49.8 mm |
1.50 38.1 mm |
1.64 41.7 mm |
1.18 30.0 mm |
1.00 25.4 mm |
0.92 23.4 mm |
3,000 PSI 20.7 MPa |
| 18S6P4-J8 |
1/4-18 NPTF |
3/4-16 UNF-2A |
3.05 77.5 mm |
1.50 38.1 mm |
1.96 49.8 mm |
1.50 38.1 mm |
1.95 49.5 mm |
1.49 37.8 mm |
1.00 25.4 mm |
0.92 23.4 mm |
3,000 PSI 20.7 MPa |
| 18S6P6-J5 |
3/8-18 NPTF |
1/2-20 UNF-2A |
3.05 77.5 mm |
1.50 38.1 mm |
1.96 49.8 mm |
1.50 38.1 mm |
1.64 41.7 mm |
1.18 30.0 mm |
1.00 25.4 mm |
0.92 23.4 mm |
3,000 PSI 20.7 MPa |
| 18S6P6-J6 |
3/8-18 NPTF |
9/16-18 UNF-2A |
3.05 77.5 mm |
1.50 38.1 mm |
1.96 49.8 mm |
1.50 38.1 mm |
1.64 41.7 mm |
1.18 30.0 mm |
1.00 25.4 mm |
0.92 23.4 mm |
3,000 PSI 20.7 MPa |
| 18S6P6-J8 |
3/8-18 NPTF |
3/4-16 UNF-2A |
3.05 77.5 mm |
1.50 38.1 mm |
1.96 49.8 mm |
1.50 38.1 mm |
1.95 49.5 mm |
1.49 37.8 mm |
1.00 25.4 mm |
0.92 23.4 mm |
3,000 PSI 20.7 MPa |
| 18S8P8-J8 |
1/2-14 NPTF |
3/4-16 UNF-2A |
3.03 77.0 mm |
1.49 37.8 mm |
2.65 67.3 mm |
1.90 48.3 mm |
2.19 55.6 mm |
1.45 36.8 mm |
1.13 28.7 mm |
1.50 38.1 mm |
3,000 PSI 20.7 MPa |
| 18S8P8-J10 |
1/2-14 NPTF |
7/8-14 UNF-2A |
3.03 77.0 mm |
1.49 37.8 mm |
2.65 67.3 mm |
1.90 48.3 mm |
2.29 58.2 mm |
1.54 39.1 mm |
1.13 28.7 mm |
1.50 38.1 mm |
3,000 PSI 20.7 MPa |
| 18S12P12-J12 |
3/4-14 NPTF |
1 1/16-12 UN-2A |
3.77 95.8 mm |
1.86 47.2 mm |
3.21 81.5 mm |
2.26 57.4 mm |
2.92 74.2 mm |
1.97 50.0 mm |
1.38 35.1 mm |
1.90 48.3 mm |
3,000 PSI 20.7 MPa |
| 18S16P16-J16 |
1-11 1/2 NPTF |
1 5/16-12 UN-2A |
4.37 111.0 mm |
2.24 56.9 mm |
3.69 93.7 mm |
2.63 66.8 mm |
3.23 82.0 mm |
2.17 55.1 mm |
1.63 41.4 mm |
2.13 54.1 mm |
3,000 PSI 20.7 MPa |
| 18S20P20-J20 |
1 1/4-11 1/2 NPTF |
1 5/8-12 UN-2A |
4.96 126.0 mm |
2.50 63.5 mm |
4.36 110.7 mm |
2.99 75.9 mm |
3.90 99.1 mm |
2.52 64.0 mm |
2.00 50.8 mm |
2.75 69.9 mm |
3,000 PSI 20.7 MPa |
| 18S24P24-J24 |
1 1/2-11 1/2 NPTF |
1 7/8-12 UN-2A |
6.68 169.7 mm |
3.36 85.3 mm |
5.45 138.4 mm |
3.70 94.0 mm |
4.76 120.9 mm |
3.01 76.5 mm |
2.37 60.2 mm |
3.50 88.9 mm |
3,000 PSI 20.7 MPa |
| 18S32P32-J32 |
2-11 1/2 NPTF |
2 1/2-12 UN-2A |
7.76 197.1 mm |
3.84 97.5 mm |
6.80 172.7 mm |
4.55 115.6 mm |
5.97 151.6 mm |
3.72 94.5 mm |
2.87 72.9 mm |
4.50 114.3 mm |
3,000 PSI 20.7 MPa |
SWIVELS | 18S-PARALLEL PLANE SWIVEL | MALE PIPE TO MALE PIPE
MALE PIPE TO MALE PIPE
male-pipe-to-male-pipe

| Part Number |
T1 |
T2 |
A |
B |
C |
D |
E |
F |
H Hex |
K Dia. |
Max W.P. |
| 18S6P4-P4 |
1/4-18 NPTF |
1/4-18 NPTF |
3.05 77.5 mm |
1.50 38.1 mm |
1.96 49.8 mm |
1.50 38.1 mm |
1.96 49.8 mm |
1.50 38.1 mm |
1.00 25.4 mm |
0.92 23.4 mm |
3,000 PSI 20.7 MPa |
| 18S6P4-P6 |
1/4-18 NPTF |
3/8-18 NPTF |
3.05 77.5 mm |
1.50 38.1 mm |
1.96 49.8 mm |
1.50 38.1 mm |
1.96 49.8 mm |
1.50 38.1 mm |
1.00 25.4 mm |
0.92 23.4 mm |
3,000 PSI 20.7 MPa |
| 18S6P6-P6 |
3/8-18 NPTF |
3/8-18 NPTF |
3.05 77.5 mm |
1.50 38.1 mm |
1.96 49.8 mm |
1.50 38.1 mm |
1.96 49.8 mm |
1.50 38.1 mm |
1.00 25.4 mm |
0.92 23.4 mm |
3,000 PSI 20.7 MPa |
| 18S8P8-P8 |
1/2-14 NPTF |
1/2-14 NPTF |
3.03 77.0 mm |
1.49 37.8 mm |
2.65 67.3 mm |
1.90 48.3 mm |
2.65 67.3 mm |
1.90 48.3 mm |
1.13 28.7 mm |
1.50 38.1 mm |
3,000 PSI 20.7 MPa |
| 18S12P12-P12 |
3/4-14 NPTF |
3/4-14 NPTF |
3.77 95.8 mm |
1.86 47.2 mm |
3.21 81.5 mm |
2.26 57.4 mm |
3.21 81.5 mm |
2.26 57.4 mm |
1.38 35.1 mm |
1.90 48.3 mm |
3,000 PSI 20.7 MPa |
| 18S16P16-P16 |
1-11 1/2 NPTF |
1-11 1/2 NPTF |
4.37 111.0 mm |
2.24 56.9 mm |
3.69 93.7 mm |
2.63 66.8 mm |
3.69 93.7 mm |
2.63 66.8 mm |
1.63 41.4 mm |
2.13 54.1 mm |
3,000 PSI 20.7 MPa |
| 18S20P20-P20 |
1 1/4-11 1/2 NPTF |
1 1/4-11 1/2 NPTF |
4.96 126.0 mm |
2.50 63.5 mm |
4.36 110.7 mm |
2.99 75.9 mm |
4.36 110.7 mm |
2.99 75.9 mm |
2.00 50.8 mm |
2.75 69.9 mm |
3,000 PSI 20.7 MPa |
| 18S24P24-P24 |
1 1/2-11 1/2 NPTF |
1 1/2-11 1/2 NPTF |
6.68 169.7 mm |
3.36 85.3 mm |
5.45 138.4 mm |
3.70 94.0 mm |
5.45 138.4 mm |
3.70 94.0 mm |
2.37 60.2 mm |
3.50 88.9 mm |
3,000 PSI 20.7 MPa |
| 18S32P32-P32 |
2-11 1/2 NPTF |
2-11 1/2 NPTF |
7.76 197.1 mm |
3.84 97.5 mm |
6.80 172.7 mm |
4.55 115.6 mm |
6.80 172.7 mm |
4.55 115.6 mm |
2.87 72.9 mm |
4.50 114.3 mm |
3,000 PSI 20.7 MPa |
SWIVELS | 18S-PARALLEL PLANE SWIVEL | FEMALE PIPE TO MALE JIC
FEMALE PIPE TO MALE JIC
female-pipe-to-male-jic

| Part Number |
T1 |
T2 |
A |
B |
C |
D |
E |
F |
H Hex |
K Dia. |
Max W.P. |
| 18S6PF4-J5 |
1/4-18 NPTF |
1/2-20 UNF-2A |
3.05 77.5 mm |
1.50 38.1 mm |
1.84 46.7 mm |
1.38 35.1 mm |
1.64 41.7 mm |
1.18 30.0 mm |
1.00 25.4 mm |
0.92 23.4 mm |
3,000 PSI 20.7 MPa |
| 18S6PF4-J6 |
1/4-18 NPTF |
9/16-18 UNF-2A |
3.05 77.5 mm |
1.50 38.1 mm |
1.84 46.7 mm |
1.38 35.1 mm |
1.64 41.7 mm |
1.18 30.0 mm |
1.00 25.4 mm |
0.92 23.4 mm |
3,000 PSI 20.7 MPa |
| 18S6PF4-J8 |
1/4-18 NPTF |
3/4-16 UNF-2A |
3.05 77.5 mm |
1.50 38.1 mm |
1.84 46.7 mm |
1.38 35.1 mm |
1.95 49.5 mm |
1.49 37.8 mm |
1.00 25.4 mm |
0.92 23.4 mm |
3,000 PSI 20.7 MPa |
| 18S6PF6-J5 |
3/8-18 NPTF |
1/2-20 UNF-2A |
3.05 77.5 mm |
1.50 38.1 mm |
1.84 46.7 mm |
1.38 35.1 mm |
1.64 41.7 mm |
1.18 30.0 mm |
1.00 25.4 mm |
0.92 23.4 mm |
3,000 PSI 20.7 MPa |
| 18S6PF6-J6 |
3/8-18 NPTF |
9/16-18 UNF-2A |
3.05 77.5 mm |
1.50 38.1 mm |
1.84 46.7 mm |
1.38 35.1 mm |
1.64 41.7 mm |
1.18 30.0 mm |
1.00 25.4 mm |
0.92 23.4 mm |
3,000 PSI 20.7 MPa |
| 18S6PF6-J8 |
3/8-18 NPTF |
3/4-16 UNF-2A |
3.05 77.5 mm |
1.50 38.1 mm |
1.84 46.7 mm |
1.38 35.1 mm |
1.95 49.5 mm |
1.49 37.8 mm |
1.00 25.4 mm |
0.92 23.4 mm |
3,000 PSI 20.7 MPa |
| 18S8PF8-J8 |
1/2-14 NPTF |
3/4-16 UNF-2A |
3.03 77.0 mm |
1.49 37.8 mm |
2.59 65.8 mm |
1.84 46.7 mm |
2.19 55.6 mm |
1.45 36.8 mm |
1.13 28.7 mm |
1.50 38.1 mm |
3,000 PSI 20.7 MPa |
| 18S8PF8-J10 |
1/2-14 NPTF |
7/8-14 UNF-2A |
3.03 77.0 mm |
1.49 37.8 mm |
2.59 65.8 mm |
1.84 46.7 mm |
2.29 58.2 mm |
1.54 39.1 mm |
1.13 28.7 mm |
1.50 38.1 mm |
3,000 PSI 20.7 MPa |
| 18S12PF12-J12 |
3/4-14 NPTF |
1 1/16-12 UN-2A |
3.77 95.8 mm |
1.86 47.2 mm |
3.19 81.0 mm |
2.24 56.9 mm |
2.92 74.2 mm |
1.97 50.0 mm |
1.38 35.1 mm |
1.90 48.3 mm |
3,000 PSI 20.7 MPa |
| 18S16PF16-J16 |
1-11 1/2 NPTF |
1 5/16-12 UN-2A |
4.37 111.0 mm |
2.24 56.9 mm |
3.54 89.9 mm |
2.48 63.0 mm |
3.23 82.0 mm |
2.17 55.1 mm |
1.63 41.4 mm |
2.13 54.1 mm |
3,000 PSI 20.7 MPa |
| 18S20PF20-J20 |
1 1/4-11 1/2 NPTF |
1 5/8-12 UN-2A |
4.96 126.0 mm |
2.50 63.5 mm |
4.00 101.6 mm |
2.63 66.8 mm |
3.90 99.1 mm |
2.52 64.0 mm |
2.00 50.8 mm |
2.75 69.9 mm |
3,000 PSI 20.7 MPa |
| 18S24PF24-J24 |
1 1/2-11 1/2 NPTF |
1 7/8-12 UN-2A |
6.68 169.7 mm |
3.36 85.3 mm |
5.20 132.1 mm |
3.45 87.6 mm |
4.76 120.9 mm |
3.01 76.5 mm |
2.37 60.2 mm |
3.50 88.9 mm |
3,000 PSI 20.7 MPa |
| 18S32PF32-J32 |
2-11 1/2 NPTF |
2 1/2-12 UN-2A |
7.76 197.1 mm |
3.84 97.5 mm |
6.31 160.3 mm |
4.06 103.1 mm |
5.97 151.6 mm |
3.72 94.5 mm |
2.87 72.9 mm |
4.50 114.3 mm |
3,000 PSI 20.7 MPa |
SWIVELS | 18S-PARALLEL PLANE SWIVEL | FEMALE PIPE TO MALE PIPE
FEMALE PIPE TO MALE PIPE
female-pipe-to-male-pipe

| Part Number |
T1 |
T2 |
A |
B |
C |
D |
E |
F |
H Hex |
K Dia. |
Max W.P. |
| 18S6PF4-P4 |
1/4-18 NPTF |
1/4-18 NPTF |
3.05 77.5 mm |
1.50 38.1 mm |
1.84 46.7 mm |
1.38 35.1 mm |
1.96 49.8 mm |
1.50 38.1 mm |
1.00 25.4 mm |
0.92 23.4 mm |
3,000 PSI 20.7 MPa |
| 18S6PF4-P6 |
1/4-18 NPTF |
3/8-18 NPTF |
3.05 77.5 mm |
1.50 38.1 mm |
1.84 46.7 mm |
1.38 35.1 mm |
1.96 49.8 mm |
1.50 38.1 mm |
1.00 25.4 mm |
0.92 23.4 mm |
3,000 PSI 20.7 MPa |
| 18S6PF6-P4 |
3/8-18 NPTF |
1/4-18 NPTF |
3.05 77.5 mm |
1.50 38.1 mm |
1.84 46.7 mm |
1.38 35.1 mm |
1.96 49.8 mm |
1.50 38.1 mm |
1.00 25.4 mm |
0.92 23.4 mm |
3,000 PSI 20.7 MPa |
| 18S6PF6-P6 |
3/8-18 NPTF |
3/8-18 NPTF |
3.05 77.5 mm |
1.50 38.1 mm |
1.84 46.7 mm |
1.38 35.1 mm |
1.96 49.8 mm |
1.50 38.1 mm |
1.00 25.4 mm |
0.92 23.4 mm |
3,000 PSI 20.7 MPa |
| 18S8PF8-P8 |
1/2-14 NPTF |
1/2-14 NPTF |
3.03 77.0 mm |
1.49 37.8 mm |
2.59 65.8 mm |
1.84 46.7 mm |
2.65 67.3 mm |
1.90 48.3 mm |
1.13 28.7 mm |
1.50 38.1 mm |
3,000 PSI 20.7 MPa |
| 18S12PF12-P12 |
3/4-14 NPTF |
3/4-14 NPTF |
3.77 95.8 mm |
1.86 47.2 mm |
3.19 81.0 mm |
2.24 56.9 mm |
3.21 81.5 mm |
2.26 57.4 mm |
1.38 35.1 mm |
1.90 48.3 mm |
3,000 PSI 20.7 MPa |
| 18S16PF16-P16 |
1-11 1/2 NPTF |
1-11 1/2 NPTF |
4.37 111.0 mm |
2.24 56.9 mm |
3.54 89.9 mm |
2.48 63.0 mm |
3.69 93.7 mm |
2.63 66.8 mm |
1.63 41.4 mm |
2.13 54.1 mm |
3,000 PSI 20.7 MPa |
| 18S20PF20-P20 |
1 1/4-11 1/2 NPTF |
1 1/4-11 1/2 NPTF |
4.96 126.0 mm |
2.50 63.5 mm |
4.00 101.6 mm |
2.63 66.8 mm |
4.36 110.7 mm |
2.99 75.9 mm |
2.00 50.8 mm |
2.75 69.9 mm |
3,000 PSI 20.7 MPa |
| 18S24PF24-P24 |
1 1/2-11 1/2 NPTF |
1 1/2-11 1/2 NPTF |
6.68 169.7 mm |
3.36 85.3 mm |
5.20 132.1 mm |
3.45 87.6 mm |
5.45 138.4 mm |
3.70 94.0 mm |
2.37 60.2 mm |
3.50 88.9 mm |
3,000 PSI 20.7 MPa |
| 18S32PF32-P32 |
2-11 1/2 NPTF |
2-11 1/2 NPTF |
7.76 197.1 mm |
3.84 97.5 mm |
6.31 160.3 mm |
4.06 103.1 mm |
6.80 172.7 mm |
4.55 115.6 mm |
2.87 72.9 mm |
4.50 114.3 mm |
3,000 PSI 20.7 MPa |
SWIVELS | 18S-PARALLEL PLANE SWIVEL | FEMALE PIPE TO FEMALE PIPE
FEMALE PIPE TO FEMALE PIPE
female-pipe-to-female-pipe

| Part Number |
T1 |
T2 |
A |
B |
C |
D |
E |
F |
H Hex |
K Dia. |
Max W.P. |
| 18S6PF4-PF4 |
1/4-18 NPTF |
1/4-18 NPTF |
3.05 77.5 mm |
1.50 38.1 mm |
1.84 46.7 mm |
1.38 35.1 mm |
1.84 46.7 mm |
1.38 35.1 mm |
1.00 25.4 mm |
0.92 23.4 mm |
3,000 PSI 20.7 MPa |
| 18S6PF4-PF6 |
1/4-18 NPTF |
3/8-18 NPTF |
3.05 77.5 mm |
1.50 38.1 mm |
1.84 46.7 mm |
1.38 35.1 mm |
1.84 46.7 mm |
1.38 35.1 mm |
1.00 25.4 mm |
0.92 23.4 mm |
3,000 PSI 20.7 MPa |
| 18S6PF6-PF6 |
3/8-18 NPTF |
3/8-18 NPTF |
3.05 77.5 mm |
1.50 38.1 mm |
1.84 46.7 mm |
1.38 35.1 mm |
1.84 46.7 mm |
1.38 35.1 mm |
1.00 25.4 mm |
0.92 23.4 mm |
3,000 PSI 20.7 MPa |
| 18S8PF8-PF8 |
1/2-14 NPTF |
1/2-14 NPTF |
3.03 77.0 mm |
1.49 37.8 mm |
2.59 65.8 mm |
1.84 46.7 mm |
2.59 65.8 mm |
1.84 46.7 mm |
1.13 28.7 mm |
1.50 38.1 mm |
3,000 PSI 20.7 MPa |
| 18S12PF12-PF12 |
3/4-14 NPTF |
3/4-14 NPTF |
3.77 95.8 mm |
1.86 47.2 mm |
3.19 81.0 mm |
2.24 56.9 mm |
3.19 81.0 mm |
2.24 56.9 mm |
1.38 35.1 mm |
1.90 48.3 mm |
3,000 PSI 20.7 MPa |
| 18S16PF16-PF16 |
1-11 1/2 NPTF |
1-11 1/2 NPTF |
4.37 111.0 mm |
2.24 56.9 mm |
3.54 89.9 mm |
2.48 63.0 mm |
3.54 89.9 mm |
2.48 63.0 mm |
1.63 41.4 mm |
2.13 54.1 mm |
3,000 PSI 20.7 MPa |
| 18S20PF20-PF20 |
1 1/4-11 1/2 NPTF |
1 1/4-11 1/2 NPTF |
4.96 126.0 mm |
2.50 63.5 mm |
4.00 101.6 mm |
2.63 66.8 mm |
4.00 101.6 mm |
2.63 66.8 mm |
2.00 50.8 mm |
2.75 69.9 mm |
3,000 PSI 20.7 MPa |
| 18S24PF24-PF24 |
1 1/2-11 1/2 NPTF |
1 1/2-11 1/2 NPTF |
6.68 169.7 mm |
3.36 85.3 mm |
5.20 132.1 mm |
3.45 87.6 mm |
5.20 132.1 mm |
3.45 87.6 mm |
2.37 60.2 mm |
3.50 88.9 mm |
3,000 PSI 20.7 MPa |
| 18S32PF32-PF32 |
2-11 1/2 NPTF |
2-11 1/2 NPTF |
7.76 197.1 mm |
3.84 97.5 mm |
6.31 160.3 mm |
4.06 103.1 mm |
6.31 160.3 mm |
4.06 103.1 mm |
2.87 72.9 mm |
4.50 114.3 mm |
3,000 PSI 20.7 MPa |
SWIVELS | 18S-PARALLEL PLANE SWIVEL | FEMALE PIPE UNION TO MALE JIC
FEMALE PIPE UNION TO MALE JIC
female-pipe-union-to-male-jic

| Part Number |
T1 |
T2 |
A |
B |
C |
D |
E |
F |
H Hex |
K Dia. |
L Hex |
Max W.P. |
| 18S6PU4-J5 |
1/4-18 NPSM |
1/2-20 UNF-2A |
3.05 77.5 mm |
1.50 38.1 mm |
1.73 43.9 mm |
1.27 32.3 mm |
1.64 41.7 mm |
1.18 30.0 mm |
1.00 25.4 mm |
0.92 23.4 mm |
0.75 19.1 mm |
3,000 PSI 20.7 MPa |
| 18S6PU4-J6 |
1/4-18 NPSM |
9/16-18 UNF-2A |
3.05 77.5 mm |
1.50 38.1 mm |
1.73 43.9 mm |
1.27 32.3 mm |
1.64 41.7 mm |
1.18 30.0 mm |
1.00 25.4 mm |
0.92 23.4 mm |
0.75 19.1 mm |
3,000 PSI 20.7 MPa |
| 18S6PU4-J8 |
1/4-18 NPSM |
3/4-16 UNF-2A |
3.05 77.5 mm |
1.50 38.1 mm |
1.73 43.9 mm |
1.27 32.3 mm |
1.95 49.5 mm |
1.49 37.8 mm |
1.00 25.4 mm |
0.92 23.4 mm |
0.75 19.1 mm |
3,000 PSI 20.7 MPa |
| 18S6PU6-J5 |
3/8-18 NPSM |
1/2-20 UNF-2A |
3.05 77.5 mm |
1.50 38.1 mm |
1.86 47.2 mm |
1.40 35.6 mm |
1.64 41.7 mm |
1.18 30.0 mm |
1.00 25.4 mm |
0.92 23.4 mm |
0.87 22.1 mm |
3,000 PSI 20.7 MPa |
| 18S6PU6-J6 |
3/8-18 NPSM |
9/16-18 UNF-2A |
3.05 77.5 mm |
1.50 38.1 mm |
1.86 47.2 mm |
1.40 35.6 mm |
1.64 41.7 mm |
1.18 30.0 mm |
1.00 25.4 mm |
0.92 23.4 mm |
0.87 22.1 mm |
3,000 PSI 20.7 MPa |
| 18S6PU6-J8 |
3/8-18 NPSM |
3/4-16 UNF-2A |
3.05 77.5 mm |
1.50 38.1 mm |
1.86 47.2 mm |
1.40 35.6 mm |
1.95 49.5 mm |
1.49 37.8 mm |
1.00 25.4 mm |
0.92 23.4 mm |
0.87 22.1 mm |
3,000 PSI 20.7 MPa |
| 18S8PU8-J8 |
1/2-14 NPSM |
3/4-16 UNF-2A |
3.03 77.0 mm |
1.49 37.8 mm |
2.39 60.7 mm |
1.64 41.7 mm |
2.19 55.6 mm |
1.45 36.8 mm |
1.13 28.7 mm |
1.50 38.1 mm |
1.00 25.4 mm |
3,000 PSI 20.7 MPa |
| 18S8PU8-J10 |
1/2-14 NPSM |
7/8-14 UNF-2A |
3.03 77.0 mm |
1.49 37.8 mm |
2.39 60.7 mm |
1.64 41.7 mm |
2.29 58.2 mm |
1.54 39.1 mm |
1.13 28.7 mm |
1.50 38.1 mm |
1.00 25.4 mm |
3,000 PSI 20.7 MPa |
| 18S12PU12-J12 |
3/4-14 NPSM |
1 1/16-12 UN-2A |
3.77 95.8 mm |
1.86 47.2 mm |
2.98 75.7 mm |
2.03 51.6 mm |
2.92 74.2 mm |
1.97 50.0 mm |
1.38 35.1 mm |
1.90 48.3 mm |
1.25 31.8 mm |
3,000 PSI 20.7 MPa |
| 18S16PU16-J16 |
1-11 1/2 NPSM |
1 5/16-12 UN-2A |
4.37 111.0 mm |
2.24 56.9 mm |
3.31 84.1 mm |
2.25 57.2 mm |
3.23 82.0 mm |
2.17 55.1 mm |
1.63 41.4 mm |
2.13 54.1 mm |
1.50 38.1 mm |
3,000 PSI 20.7 MPa |
| 18S20PU20-J20 |
1 1/4-11 1/2 NPSM |
1 5/8-12 UN-2A |
4.96 126.0 mm |
2.50 63.5 mm |
4.02 102.1 mm |
2.64 67.1 mm |
3.90 99.1 mm |
2.52 64.0 mm |
2.00 50.8 mm |
2.75 69.9 mm |
1.87 47.5 mm |
3,000 PSI 20.7 MPa |
| 18S24PU24-J24 |
1 1/2-11 1/2 NPSM |
1 7/8-12 UN-2A |
6.68 169.7 mm |
3.36 85.3 mm |
4.86 123.4 mm |
3.11 79.0 mm |
4.76 120.9 mm |
3.01 76.5 mm |
2.37 60.2 mm |
3.50 88.9 mm |
2.25 57.2 mm |
3,000 PSI 20.7 MPa |
| 18S32PU32-J32 |
2-11 1/2 NPSM |
2 1/2-12 UN-2A |
7.76 197.1 mm |
3.84 97.5 mm |
6.19 157.2 mm |
3.94 100.1 mm |
5.97 151.6 mm |
3.72 94.5 mm |
2.87 72.9 mm |
4.50 114.3 mm |
2.75 69.9 mm |
3,000 PSI 20.7 MPa |
SWIVELS | 18S-PARALLEL PLANE SWIVEL | FEMALE PIPE UNION TO MALE PIPE
FEMALE PIPE UNION TO MALE PIPE
female-pipe-union-to-male-pipe

| Part Number |
T1 |
T2 |
A |
B |
C |
D |
E |
F |
H Hex |
K Dia. |
L Hex |
Max W.P. |
| 18S6PU4-P4 |
1/4-18 NPSM |
1/4-18 NPTF |
3.05 77.5 mm |
1.50 38.1 mm |
1.73 43.9 mm |
1.27 32.3 mm |
1.96 49.8 mm |
1.50 38.1 mm |
1.00 25.4 mm |
0.92 23.4 mm |
0.75 19.1 mm |
3,000 PSI 20.7 MPa |
| 18S6PU4-P6 |
1/4-18 NPSM |
3/8-18 NPTF |
3.05 77.5 mm |
1.50 38.1 mm |
1.73 43.9 mm |
1.27 32.3 mm |
1.96 49.8 mm |
1.50 38.1 mm |
1.00 25.4 mm |
0.92 23.4 mm |
0.75 19.1 mm |
3,000 PSI 20.7 MPa |
| 18S6PU6-P4 |
3/8-18 NPSM |
1/4-18 NPTF |
3.05 77.5 mm |
1.50 38.1 mm |
1.86 47.2 mm |
1.40 35.6 mm |
1.96 49.8 mm |
1.50 38.1 mm |
1.00 25.4 mm |
0.92 23.4 mm |
0.87 22.1 mm |
3,000 PSI 20.7 MPa |
| 18S6PU6-P6 |
3/8-18 NPSM |
3/8-18 NPTF |
3.05 77.5 mm |
1.50 38.1 mm |
1.86 47.2 mm |
1.40 35.6 mm |
1.96 49.8 mm |
1.50 38.1 mm |
1.00 25.4 mm |
0.92 23.4 mm |
0.87 22.1 mm |
3,000 PSI 20.7 MPa |
| 18S8PU8-P8 |
1/2-14 NPSM |
1/2-14 NPTF |
3.03 77.0 mm |
1.49 37.8 mm |
2.39 60.7 mm |
1.64 41.7 mm |
2.65 67.3 mm |
1.90 48.3 mm |
1.13 28.7 mm |
1.50 38.1 mm |
1.00 25.4 mm |
3,000 PSI 20.7 MPa |
| 18S12PU12-P12 |
3/4-14 NPSM |
3/4-14 NPTF |
3.77 95.8 mm |
1.86 47.2 mm |
2.98 75.7 mm |
2.03 51.6 mm |
3.21 81.5 mm |
2.26 57.4 mm |
1.38 35.1 mm |
1.90 48.3 mm |
1.25 31.8 mm |
3,000 PSI 20.7 MPa |
| 18S16PU16-P16 |
1-11 1/2 NPSM |
1-11 1/2 NPTF |
4.37 111.0 mm |
2.24 56.9 mm |
3.31 84.1 mm |
2.25 57.2 mm |
3.69 93.7 mm |
2.63 66.8 mm |
1.63 41.4 mm |
2.13 54.1 mm |
1.50 38.1 mm |
3,000 PSI 20.7 MPa |
| 18S20PU20-P20 |
1 1/4-11 1/2 NPSM |
1 1/4-11 1/2 NPTF |
4.96 126.0 mm |
2.50 63.5 mm |
4.02 102.1 mm |
2.64 67.1 mm |
4.36 110.7 mm |
2.99 75.9 mm |
2.00 50.8 mm |
2.75 69.9 mm |
1.87 47.5 mm |
3,000 PSI 20.7 MPa |
| 18S24PU24-P24 |
1 1/2-11 1/2 NPSM |
1 1/2-11 1/2 NPTF |
6.68 169.7 mm |
3.36 85.3 mm |
4.86 123.4 mm |
3.11 79.0 mm |
5.45 138.4 mm |
3.70 94.0 mm |
2.37 60.2 mm |
3.50 88.9 mm |
2.25 57.2 mm |
3,000 PSI 20.7 MPa |
| 18S32PU32-P32 |
2-11 1/2 NPSM |
2-11 1/2 NPTF |
7.76 197.1 mm |
3.84 97.5 mm |
6.19 157.2 mm |
3.94 100.1 mm |
6.80 172.7 mm |
4.55 115.6 mm |
2.87 72.9 mm |
4.50 114.3 mm |
2.75 69.9 mm |
3,000 PSI 20.7 MPa |
SWIVELS | 18S-PARALLEL PLANE SWIVEL | FEMALE PIPE UNION TO FEMALE PIPE UNION
FEMALE PIPE UNION TO FEMALE PIPE UNION
female-pipe-union-to-female-pipe-union

| Part Number |
T1 |
T2 |
A |
B |
C |
D |
E |
F |
H Hex |
J Hex(* = Round) |
K Dia. |
L Hex |
Max W.P. |
| 18S6PU4-PU4 |
1/4-18 NPSM |
1/4-18 NPSM |
3.05 77.5 mm |
1.50 38.1 mm |
1.73 43.9 mm |
1.27 32.3 mm |
1.73 43.9 mm |
1.27 32.3 mm |
1.00 25.4 mm |
0.75 19.1 mm |
0.92 23.4 mm |
0.75 19.1 mm |
3,000 PSI 20.7 MPa |
| 18S6PU4-PU6 |
1/4-18 NPSM |
3/8-18 NPSM |
3.05 77.5 mm |
1.50 38.1 mm |
1.73 43.9 mm |
1.27 32.3 mm |
1.86 47.2 mm |
1.40 35.6 mm |
1.00 25.4 mm |
0.75 19.1 mm |
0.92 23.4 mm |
0.87 22.1 mm |
3,000 PSI 20.7 MPa |
| 18S6PU6-PU6 |
3/8-18 NPSM |
3/8-18 NPSM |
3.05 77.5 mm |
1.50 38.1 mm |
1.86 47.2 mm |
1.40 35.6 mm |
1.86 47.2 mm |
1.40 35.6 mm |
1.00 25.4 mm |
0.87 22.1 mm |
0.92 23.4 mm |
0.87 22.1 mm |
3,000 PSI 20.7 MPa |
| 18S8PU8-PU8 |
1/2-14 NPSM |
1/2-14 NPSM |
3.03 77.0 mm |
1.49 37.8 mm |
2.39 60.7 mm |
1.64 41.7 mm |
2.39 60.7 mm |
1.64 41.7 mm |
1.13 28.7 mm |
1.00 25.4 mm |
1.50 38.1 mm |
1.00 25.4 mm |
3,000 PSI 20.7 MPa |
| 18S12PU12-PU12 |
3/4-14 NPSM |
3/4-14 NPSM |
3.77 95.8 mm |
1.86 47.2 mm |
2.98 75.7 mm |
2.03 51.6 mm |
2.98 75.7 mm |
2.03 51.6 mm |
1.38 35.1 mm |
1.25 31.8 mm |
1.90 48.3 mm |
1.25 31.8 mm |
3,000 PSI 20.7 MPa |
| 18S16PU16-PU16 |
1-11 1/2 NPSM |
1-11 1/2 NPSM |
4.37 111.0 mm |
2.24 56.9 mm |
3.31 84.1 mm |
2.25 57.2 mm |
3.31 84.1 mm |
2.25 57.2 mm |
1.63 41.4 mm |
1.50 38.1 mm |
2.13 54.1 mm |
1.50 38.1 mm |
3,000 PSI 20.7 MPa |
| 18S20PU20-PU20 |
1 1/4-11 1/2 NPSM |
1 1/4-11 1/2 NPSM |
4.96 126.0 mm |
2.50 63.5 mm |
4.02 102.1 mm |
2.64 67.1 mm |
4.02 102.1 mm |
2.64 67.1 mm |
2.00 50.8 mm |
1.87 47.5 mm |
2.75 69.9 mm |
1.87 47.5 mm |
3,000 PSI 20.7 MPa |
| 18S24PU24-PU24 |
1 1/2-11 1/2 NPSM |
1 1/2-11 1/2 NPSM |
6.68 169.7 mm |
3.36 85.3 mm |
4.86 123.4 mm |
3.11 79.0 mm |
4.86 123.4 mm |
3.11 79.0 mm |
2.37 60.2 mm |
2.25 57.2 mm |
3.50 88.9 mm |
2.25 57.2 mm |
3,000 PSI 20.7 MPa |
| 18S32PU32-PU32 |
2-11 1/2 NPSM |
2-11 1/2 NPSM |
7.76 197.1 mm |
3.84 97.5 mm |
6.19 157.2 mm |
3.94 100.1 mm |
6.19 157.2 mm |
3.94 100.1 mm |
2.87 72.9 mm |
2.75 69.9 mm |
4.50 114.3 mm |
2.75 69.9 mm |
3,000 PSI 20.7 MPa |
Male O-Ring Face Seal to Male O-Ring Face Seal
Male O-Ring Face Seal to Male JIC
Male O-Ring Face Seal to Male Pipe
Male O-Ring Face Seal to Female Pipe
Male O-Ring Face Seal to Female Pipe Union
Male O-Ring Face Seal to Female O-Ring Face Seal Union
Female O-Ring Face Seal Union to Male O-Ring Face Seal
Female O-Ring Face Seal Union to Female O-Ring Face Seal Union
Female O-Ring Face Seal Union to Male JIC
Female O-Ring Face Seal Union to Male Pipe
Female O-Ring Face Seal Union to Female Pipe
Female O-Ring Face Seal Union to Female Pipe Union
Male JIC to Male JIC
Male Pipe to Male JIC
Male Pipe to Male Pipe
Female Pipe to Male JIC
Female Pipe to Male Pipe
Female Pipe to Female Pipe
Female Pipe Union to Male JIC
Female Pipe Union to Male Pipe
Female Pipe Union to Female Pipe Union
Part Number
18S6F4-F4
18S6F4-F6
18S6F4-F8
18S6F6-F6
18S6F6-F8
18S6F8-F8
18S8F8-F8
18S8F8-F10
18S8F10-F10
18S12F12-F12
18S16F16-F16
18S20F20-F20
18S24F24-F24
Part Number
18S6F4-J5
18S6F4-J6
18S6F4-J8
18S6F6-J5
18S6F6-J6
18S6F6-J8
18S6F8-J5
18S6F8-J6
18S6F8-J8
18S8F8-J8
18S8F8-J10
18S8F10-J8
18S8F10-J10
18S12F12-J12
18S16F16-J16
18S20F20-J20
18S24F24-J24
Part Number
18S6F4-P4
18S6F4-P6
18S6F6-P4
18S6F6-P6
18S6F8-P4
18S6F8-P6
18S8F8-P8
18S8F10-P8
18S12F12-P12
18S16F16-P16
18S20F20-P20
18S24F24-P24
Part Number
18S6F4-PF4
18S6F4-PF6
18S6F6-PF4
18S6F6-PF6
18S6F8-PF4
18S6F8-PF6
18S8F8-PF8
18S8F10-PF8
18S12F12-PF12
18S16F16-PF16
18S20F20-PF20
18S24F24-PF24
Part Number
18S6F4-PU4
18S6F4-PU6
18S6F6-PU4
18S6F6-PU6
18S6F8-PU4
18S6F8-PU6
18S8F8-PU8
18S8F10-PU8
18S12F12-PU12
18S16F16-PU16
18S20F20-PU20
18S24F24-PU24
Part Number
18S6F4-FU6
18S6F6-FU6
18S6F8-FU6
18S8F8-FU8
18S8F8-FU10
18S8F10-FU8
18S8F10-FU10
18S12F12-FU12
18S16F16-FU16
18S20F20-FU20
18S24F24-FU24
Part Number
18S6FU6-F4
18S6FU6-F6
18S6FU6-F8
18S8FU8-F8
18S8FU8-F10
18S8FU10-F8
18S8FU10-F10
18S12FU12-F12
18S16FU16-F16
18S20FU20-F20
18S24FU24-F24
Part Number
18S6FU6-FU6
18S8FU8-FU8
18S8FU8-FU10
18S8FU10-FU10
18S12FU12-FU12
18S16FU16-FU16
18S20FU20-FU20
18S24FU24-FU24
Part Number
18S6FU6-J5
18S6FU6-J6
18S6FU6-J8
18S8FU8-J8
18S8FU8-J10
18S8FU10-J8
18S8FU10-J10
18S12FU12-J12
18S16FU16-J16
18S20FU20-J20
18S24FU24-J24
Part Number
18S6FU6-P4
18S6FU6-P6
18S8FU8-P8
18S8FU10-P8
18S12FU12-P12
18S16FU16-P16
18S20FU20-P20
18S24FU24-P24
Part Number
18S6FU6-PF4
18S6FU6-PF6
18S8FU8-PF8
18S8FU10-PF8
18S12FU12-PF12
18S16FU16-PF16
18S20FU20-PF20
18S24FU24-PF24
Part Number
18S6FU6-PU4
18S6FU6-PU6
18S8FU8-PU8
18S8FU10-PU8
18S12FU12-PU12
18S16FU16-PU16
18S20FU20-PU20
18S24FU24-PU24
Part Number
18S6J5-J5
18S6J5-J6
18S6J5-J8
18S6J6-J6
18S6J6-J8
18S6J8-J8
18S8J8-J8
18S8J8-J10
18S8J10-J10
18S12J12-J12
18S16J16-J16
18S20J20-J20
18S24J24-J24
18S32J32-J32
Part Number
18S6P4-J5
18S6P4-J6
18S6P4-J8
18S6P6-J5
18S6P6-J6
18S6P6-J8
18S8P8-J8
18S8P8-J10
18S12P12-J12
18S16P16-J16
18S20P20-J20
18S24P24-J24
18S32P32-J32
Part Number
18S6P4-P4
18S6P4-P6
18S6P6-P6
18S8P8-P8
18S12P12-P12
18S16P16-P16
18S20P20-P20
18S24P24-P24
18S32P32-P32
Part Number
18S6PF4-J5
18S6PF4-J6
18S6PF4-J8
18S6PF6-J5
18S6PF6-J6
18S6PF6-J8
18S8PF8-J8
18S8PF8-J10
18S12PF12-J12
18S16PF16-J16
18S20PF20-J20
18S24PF24-J24
18S32PF32-J32
Part Number
18S6PF4-P4
18S6PF4-P6
18S6PF6-P4
18S6PF6-P6
18S8PF8-P8
18S12PF12-P12
18S16PF16-P16
18S20PF20-P20
18S24PF24-P24
18S32PF32-P32
Part Number
18S6PF4-PF4
18S6PF4-PF6
18S6PF6-PF6
18S8PF8-PF8
18S12PF12-PF12
18S16PF16-PF16
18S20PF20-PF20
18S24PF24-PF24
18S32PF32-PF32
Part Number
18S6PU4-J5
18S6PU4-J6
18S6PU4-J8
18S6PU6-J5
18S6PU6-J6
18S6PU6-J8
18S8PU8-J8
18S8PU8-J10
18S12PU12-J12
18S16PU16-J16
18S20PU20-J20
18S24PU24-J24
18S32PU32-J32
Part Number
18S6PU4-P4
18S6PU4-P6
18S6PU6-P4
18S6PU6-P6
18S8PU8-P8
18S12PU12-P12
18S16PU16-P16
18S20PU20-P20
18S24PU24-P24
18S32PU32-P32
Part Number
18S6PU4-PU4
18S6PU4-PU6
18S6PU6-PU6
18S8PU8-PU8
18S12PU12-PU12
18S16PU16-PU16
18S20PU20-PU20
18S24PU24-PU24
18S32PU32-PU32
|