|
|
|
Hydraulics, Inc. 旋转接头 SWIVELS
SWIVELS, COUPLINGS, AND CONTROLS FOR HYDRAULIC SYSTEMS
SWIVELS;S-Inline,HS-Heavy Duty Inline,9S-90° Swivel,9SS-Dual Plane Swivel,18S-Parallel Plane Swivel,Flange Swivels
SWIVELS;9SS-Dual Plane Swivel
Hydraulics, Inc.设计特点
硬质碳钢筒体和直列杆
阀杆退火-减少因冲击和振动造成的断裂
抛光筒孔-延长密封寿命
熔模铸造筒体设计-无钎焊接头
黄色铬酸盐RoHS防护处理镀锌
标准O形环和支承环-现场可更换密封套件
可选密封材料
嵌入式和保护防尘密封件
低转动扭矩
低压降
可选黄油嘴

Hydraulics, Inc. Design Features
Hardened carbon steel barrel and in-line stem
Stem annealed - Reduced breakage from shock and vibration
Burnished barrel bores - Extended seal life
Investment Cast Barrel Design - No Braze Joints
Protective treatment-Zinc Plating with Yellow Chromate RoHS Compliant Finish
Standard O-Ring and back up ring - Field replaceable seal kits
Optional seal material
Recessed and protected dust seals
Low rotational torque
Low pressure drop
Optional grease fitting
注意CAUTION:
不要试图在压力下断开和拆卸旋转装置。在压力下,不要从阀杆上拆下旋转筒。不要试图操作损坏的旋转接头,也不要操作显示油液泄漏和/或明显轴承磨损的旋转接头。考虑所选旋转装置的额定压力不能超过旋转装置及其所选端口的最低额定值。请参阅安全信息-选择和使用液压系统,包括旋转接头。Do not attempt to disconnect and disassemble swivels under pressure. Do not remove the swivel barrel from stem while under pressure. Do not attempt to operate damaged swivels and do not operate swivels displaying fluid leak and/or obvious bearing wear. Consider that a selected swivels rated pressure cannot exceed the lowest rating of the swivel and of it’s selected ports. Refer to Safety Information - Selecting and Using Hydraulics, Inc. Swivel Joints.

压力限制Pressure Limitations:
“9SS”系列旋转阀的最大工作压力为3000 psi(20.7 MPa);然而,连接管道的额定压力可能高于或低于旋转阀。流体动力系统的额定工作压力不应超过其最低额定部件。Maximum working pressure for “9SS” Series swivels is 3,000 psi (20.7 Mpa); however, connecting plumbing may be rated higher or lower than that of the swivel. The rated working pressure of a fluid power system should not exceed the lowest rated component therein.
安装信息Installation Information:
液压系统公司的旋转接头通常被认为是流体动力系统中遇到的低速旋转。最大转速取决于系统环境,流体类型和与温度和压力有关的极端条件是首要考虑因素。可疑的应用应通过实验室或原型测试证明。安装时应避免污染,连接管道不应造成过度负荷。水龙头不应用作承重或结构构件。请参阅安全信息,选择和使用液压系统,包括旋转接头。Hydraulics, Inc. swivel joints are generally considered for low speed rotation as encountered in fluid power systems. Maximum speed of rotation depends upon system environment, with fluid types and extreme conditions related to temperature and pressure being of prime consideration. Questionable applications should be proven by laboratory or prototype testing. Contamination at installation should be avoided and connecting plumbing should not cause undue loading. The swivel should not be used as a load bearing or structural member. Refer to Safety Information, Selecting and Using Hydraulics, Inc. Swivel Joints.
选项Options:
本网站上显示的旋转阀被视为液压公司的标准配置。有关压力额定值或端口选项的其他要求,本网站上未显示,请与我们联系。可通过在零件号中添加密封化合物指示符后缀来指定可选的密封材料。Swivels shown on this website are considered standard to Hydraulics, Inc. For other requirements relative to pressure ratings or port options, not shown on this website, please contact us. Optional seal material may be specified by adding the seal compound designator suffix to the part number.

 |
 |
 |
| Male O-Ring Face Seal to Male O-Ring Face Seal |
Male O-Ring Face Seal to Male JIC |
Male O-Ring Face Seal to Male SAE O-Ring Boss |
 |
 |
 |
| Male O-Ring Face Seal to Male Pipe |
Male O-Ring Face Seal to Female Pipe |
Male JIC to Male O-Ring Face Seal |
 |
 |
 |
| Male JIC to Male JIC |
Male JIC to Male SAE O-Ring Boss |
Male JIC to Male Pipe |
 |
 |
 |
| Male JIC to Female Pipe |
Female Pipe to Male O-Ring Face Seal |
Female Pipe to Male JIC |
 |
 |
 |
| Female Pipe to Male SAE O-Ring Boss |
Female Pipe to Male Pipe
|
Female Pipe to Female Pipe |
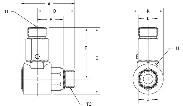
SWIVELS | 9SS-DUAL PLANE SWIVEL | MALE O-RING FACE SEAL TO MALE O-RING FACE SEAL
MALE O-RING FACE SEAL TO MALE O-RING FACE SEAL
male-o-ring-face-seal-to-male-o-ring-face-seal
| Part Number |
T1 |
T2 |
A |
B |
C |
D |
H Hex |
J Hex(* = Round) |
K Dia. |
L Hex |
Max W.P. |
| 9SS6F6-F6 |
11/16-16 UN-2A |
11/16-16 UN-2A |
2.50 63.5 mm |
1.65 41.9 mm |
3.05 77.5 mm |
2.59 65.8 mm |
1.00 25.4 mm |
0.87 22.1 mm |
0.92 23.4 mm |
1.00 25.4 mm |
3,000 PSI 20.7 MPa |
| 9SS6F8-F8 |
13/16-16 UN-2A |
13/16-16 UN-2A |
2.50 63.5 mm |
1.65 41.9 mm |
3.05 77.5 mm |
2.59 65.8 mm |
1.00 25.4 mm |
1.00 25.4 mm |
0.92 23.4 mm |
1.00 25.4 mm |
3,000 PSI 20.7 MPa |
| 9SS8F10-F10 |
1-14 UNS-2A |
1-14 UNS-2A |
2.77 70.4 mm |
1.93 49.0 mm |
3.74 95.0 mm |
2.99 75.9 mm |
1.13 28.7 mm |
1.00 25.4 mm |
1.50 38.1 mm |
1.25 31.8 mm |
3,000 PSI 20.7 MPa |
| 9SS12F12-F12 |
1 3/16-12 UN-2A |
1 3/16-12 UN-2A |
3.34 84.8 mm |
2.30 58.4 mm |
4.18 106.2 mm |
3.23 82.0 mm |
1.38 35.1 mm |
1.25 31.8 mm |
1.90 48.3 mm |
1.25 31.8 mm |
3,000 PSI 20.7 MPa |
| 9SS16F16-F16 |
1 7/16-12 UN-2A |
1 7/16-12 UN-2A |
3.76 95.5 mm |
2.62 66.5 mm |
5.15 130.8 mm |
4.09 103.9 mm |
1.63 41.4 mm |
1.63 41.4 mm |
2.13 54.1 mm |
1.75 44.5 mm |
3,000 PSI 20.7 MPa |
| 9SS20F20-F20 |
1 11/16-12 UN-2A |
1 11/16-12 UN-2A |
4.12 104.6 mm |
2.80 71.1 mm |
5.74 145.8 mm |
4.36 110.7 mm |
2.00 50.8 mm |
2.00 50.8 mm |
2.75 69.9 mm |
2.25 57.2 mm |
3,000 PSI 20.7 MPa |
| 9SS24F24-F24 |
2-12 UN-2A |
2-12 UN-2A |
5.26 133.6 mm |
3.49 88.6 mm |
6.88 174.8 mm |
5.13 130.3 mm |
2.37 60.2 mm |
2.37 60.2 mm |
3.50 88.9 mm |
*2.75 69.9 mm |
3,000 PSI 20.7 MPa |
SWIVELS | 9SS-DUAL PLANE SWIVEL | MALE O-RING FACE SEAL TO MALE JIC
MALE O-RING FACE SEAL TO MALE JIC
male-o-ring-face-seal-to-male-jic

| Part Number |
T1 |
T2 |
A |
B |
C |
D |
H Hex |
J Hex(* = Round) |
K Dia. |
L Hex |
Max W.P. |
| 9SS6F6-J6 |
11/16-16 UN-2A |
9/16-18 UNF-2A |
2.50 63.5 mm |
1.65 41.9 mm |
3.05 77.5 mm |
2.59 65.8 mm |
1.00 25.4 mm |
0.87 22.1 mm |
0.92 23.4 mm |
1.00 25.4 mm |
3,000 PSI 20.7 MPa |
| 9SS6F8-J8 |
13/16-16 UN-2A |
3/4-16 UNF-2A |
2.50 63.5 mm |
1.65 41.9 mm |
3.05 77.5 mm |
2.59 65.8 mm |
1.00 25.4 mm |
0.87 22.1 mm |
0.92 23.4 mm |
1.00 25.4 mm |
3,000 PSI 20.7 MPa |
| 9SS8F10-J10 |
1-14 UNS-2A |
7/8-14 UNF-2A |
2.83 71.9 mm |
1.99 50.5 mm |
3.74 95.0 mm |
2.99 75.9 mm |
1.13 28.7 mm |
1.00 25.4 mm |
1.50 38.1 mm |
1.25 31.8 mm |
3,000 PSI 20.7 MPa |
| 9SS12F12-J12 |
1 3/16-12 UN-2A |
1 1/16-12 UN-2A |
3.40 86.4 mm |
2.36 59.9 mm |
4.18 106.2 mm |
3.23 82.0 mm |
1.38 35.1 mm |
1.25 31.8 mm |
1.90 48.3 mm |
1.25 31.8 mm |
3,000 PSI 20.7 MPa |
| 9SS16F16-J16 |
1 7/16-12 UN-2A |
1 5/16-12 UN-2A |
3.82 97.0 mm |
2.68 68.1 mm |
5.15 130.8 mm |
4.09 103.9 mm |
1.63 41.4 mm |
1.63 41.4 mm |
2.13 54.1 mm |
1.75 44.5 mm |
3,000 PSI 20.7 MPa |
| 9SS20F20-J20 |
1 11/16-12 UN-2A |
1 5/8-12 UN-2A |
4.12 104.6 mm |
2.81 71.4 mm |
5.74 145.8 mm |
4.36 110.7 mm |
2.00 50.8 mm |
2.00 50.8 mm |
2.75 69.9 mm |
2.25 57.2 mm |
3,000 PSI 20.7 MPa |
| 9SS24F24-J24 |
2-12 UN-2A |
1 7/8-12 UN-2A |
5.27 133.9 mm |
3.50 88.9 mm |
6.88 174.8 mm |
5.13 130.3 mm |
2.37 60.2 mm |
2.37 60.2 mm |
3.50 88.9 mm |
*2.75 69.9 mm |
3,000 PSI 20.7 MPa |
SWIVELS | 9SS-DUAL PLANE SWIVEL | MALE O-RING FACE SEAL TO MALE SAE O-RING BOSS
MALE O-RING FACE SEAL TO MALE SAE O-RING BOSS
male-o-ring-face-seal-to-male-sae-o-ring-boss

| Part Number |
T1 |
T2 |
A |
B |
C |
D |
E |
H Hex |
J Hex(* = Round) |
K Dia. |
L Hex |
Max W.P. |
| 9SS6F6-O6 |
11/16-16 UN-2A |
9/16-18 UNF-2A |
2.50 63.5 mm |
1.65 41.9 mm |
3.05 77.5 mm |
2.59 65.8 mm |
1.18 30.0 mm |
1.00 25.4 mm |
0.87 22.1 mm |
0.92 23.4 mm |
1.00 25.4 mm |
3,000 PSI 20.7 MPa |
| 9SS6F8-O8 |
13/16-16 UN-2A |
3/4-16 UNF-2A |
2.50 63.5 mm |
1.65 41.9 mm |
3.05 77.5 mm |
2.59 65.8 mm |
1.10 27.9 mm |
1.00 25.4 mm |
0.87 22.1 mm |
0.92 23.4 mm |
1.00 25.4 mm |
3,000 PSI 20.7 MPa |
| 9SS8F10-O10 |
1-14 UNS-2A |
7/8-14 UNF-2A |
2.83 71.9 mm |
1.99 50.5 mm |
3.74 95.0 mm |
2.99 75.9 mm |
1.35 34.3 mm |
1.13 28.7 mm |
1.00 25.4 mm |
1.50 38.1 mm |
1.25 31.8 mm |
3,000 PSI 20.7 MPa |
| 9SS12F12-O12 |
1 3/16-12 UN-2A |
1 1/16-12 UN-2A |
3.37 85.6 mm |
2.33 59.2 mm |
4.18 106.2 mm |
3.23 82.0 mm |
1.62 41.1 mm |
1.38 35.1 mm |
1.25 31.8 mm |
1.90 48.3 mm |
1.25 31.8 mm |
3,000 PSI 20.7 MPa |
| 9SS16F16-O16 |
1 7/16-12 UN-2A |
1 5/16-12 UN-2A |
3.62 91.9 mm |
2.48 63.0 mm |
5.15 130.8 mm |
4.09 103.9 mm |
1.78 45.2 mm |
1.63 41.4 mm |
1.63 41.4 mm |
2.13 54.1 mm |
1.75 44.5 mm |
3,000 PSI 20.7 MPa |
| 9SS20F20-O20 |
1 11/16-12 UN-2A |
1 5/8-12 UN-2A |
4.08 103.6 mm |
2.76 70.1 mm |
5.74 145.8 mm |
4.36 110.7 mm |
2.04 51.8 mm |
2.00 50.8 mm |
2.00 50.8 mm |
2.75 69.9 mm |
2.25 57.2 mm |
3,000 PSI 20.7 MPa |
| 9SS24F24-O24 |
2-12 UN-2A |
1 7/8-12 UN-2A |
4.91 124.7 mm |
3.14 79.8 mm |
6.88 174.8 mm |
5.13 130.3 mm |
2.42 61.5 mm |
2.37 60.2 mm |
2.37 60.2 mm |
3.50 88.9 mm |
*2.75 69.9 mm |
3,000 PSI 20.7 MPa |
SWIVELS | 9SS-DUAL PLANE SWIVEL | MALE O-RING FACE SEAL TO MALE PIPE
MALE O-RING FACE SEAL TO MALE PIPE
male-o-ring-face-seal-to-male-pipe

| Part Number |
T1 |
T2 |
A |
B |
C |
D |
H Hex |
J Hex(* = Round) |
K Dia. |
L Hex |
Max W.P. |
| 9SS6F6-P4 |
11/16-16 UN-2A |
1/4-18 NPTF |
2.50 63.5 mm |
1.65 41.9 mm |
3.05 77.5 mm |
2.59 65.8 mm |
1.00 25.4 mm |
0.87 22.1 mm |
0.92 23.4 mm |
1.00 25.4 mm |
3,000 PSI 20.7 MPa |
| 9SS6F8-P6 |
13/16-16 UN-2A |
3/8-18 NPTF |
2.50 63.5 mm |
1.65 41.9 mm |
3.05 77.5 mm |
2.59 65.8 mm |
1.00 25.4 mm |
0.87 22.1 mm |
0.92 23.4 mm |
1.00 25.4 mm |
3,000 PSI 20.7 MPa |
| 9SS8F10-P8 |
1-14 UNS-2A |
1/2-14 NPTF |
2.83 71.9 mm |
1.99 50.5 mm |
3.74 95.0 mm |
2.99 75.9 mm |
1.13 28.7 mm |
1.00 25.4 mm |
1.50 38.1 mm |
1.25 31.8 mm |
3,000 PSI 20.7 MPa |
| 9SS12F12-P12 |
1 3/16-12 UN-2A |
3/4-14 NPTF |
3.40 86.4 mm |
2.37 60.2 mm |
4.18 106.2 mm |
3.23 82.0 mm |
1.38 35.1 mm |
1.25 31.8 mm |
1.90 48.3 mm |
1.25 31.8 mm |
3,000 PSI 20.7 MPa |
| 9SS16F16-P16 |
1 7/16-12 UN-2A |
1-11 1/2 NPTF |
3.82 97.0 mm |
2.70 68.6 mm |
5.15 130.8 mm |
4.09 103.9 mm |
1.63 41.4 mm |
1.63 41.4 mm |
2.13 54.1 mm |
1.75 44.5 mm |
3,000 PSI 20.7 MPa |
| 9SS20F20-P20 |
1 11/16-12 UN-2A |
1 1/4-11 1/2 NPTF |
4.18 106.2 mm |
2.85 72.4 mm |
5.74 145.8 mm |
4.36 110.7 mm |
2.00 50.8 mm |
2.00 50.8 mm |
2.75 69.9 mm |
2.25 57.2 mm |
3,000 PSI 20.7 MPa |
| 9SS24F24-P24 |
2-12 UN-2A |
1 1/2-11 1/2 NPTF |
5.32 135.1 mm |
3.55 90.2 mm |
6.88 174.8 mm |
5.13 130.3 mm |
2.37 60.2 mm |
2.37 60.2 mm |
3.50 88.9 mm |
*2.75 69.9 mm |
3,000 PSI 20.7 MPa |
SWIVELS | 9SS-DUAL PLANE SWIVEL | MALE O-RING FACE SEAL TO FEMALE PIPE
MALE O-RING FACE SEAL TO FEMALE PIPE
male-o-ring-face-seal-to-female-pipe

| Part Number |
T1 |
T2 |
A |
B |
C |
D |
H Hex |
J Hex(* = Round) |
K Dia. |
L Hex |
Max W.P. |
| 9SS6F6-PF4 |
11/16-16 UN-2A |
1/4-18 NPTF |
2.50 63.5 mm |
1.65 41.9 mm |
3.05 77.5 mm |
2.59 65.8 mm |
1.00 25.4 mm |
0.87 22.1 mm |
0.92 23.4 mm |
1.00 25.4 mm |
3,000 PSI 20.7 MPa |
| 9SS6F8-PF6 |
13/16-16 UN-2A |
3/8-18 NPTF |
2.50 63.5 mm |
1.65 41.9 mm |
3.05 77.5 mm |
2.59 65.8 mm |
1.00 25.4 mm |
0.87 22.1 mm |
0.92 23.4 mm |
1.00 25.4 mm |
3,000 PSI 20.7 MPa |
| 9SS8F10-PF8 |
1-14 UNS-2A |
1/2-14 NPTF |
2.62 66.5 mm |
1.78 45.2 mm |
3.74 95.0 mm |
2.99 75.9 mm |
1.13 28.7 mm |
1.00 25.4 mm |
1.50 38.1 mm |
1.25 31.8 mm |
3,000 PSI 20.7 MPa |
| 9SS12F12-PF12 |
1 3/16-12 UN-2A |
3/4-14 NPTF |
3.00 76.2 mm |
1.97 50.0 mm |
4.18 106.2 mm |
3.23 82.0 mm |
1.38 35.1 mm |
1.25 31.8 mm |
1.90 48.3 mm |
1.25 31.8 mm |
3,000 PSI 20.7 MPa |
| 9SS16F16-PF16 |
1 7/16-12 UN-2A |
1-11 1/2 NPTF |
3.40 86.4 mm |
2.22 56.4 mm |
5.15 130.8 mm |
4.09 103.9 mm |
1.63 41.4 mm |
1.63 41.4 mm |
2.13 54.1 mm |
1.75 44.5 mm |
3,000 PSI 20.7 MPa |
| 9SS20F20-PF20 |
1 11/16-12 UN-2A |
1 1/4-11 1/2 NPTF |
4.18 106.2 mm |
2.86 72.6 mm |
5.74 145.8 mm |
4.36 110.7 mm |
2.00 50.8 mm |
2.00 50.8 mm |
2.75 69.9 mm |
2.25 57.2 mm |
3,000 PSI 20.7 MPa |
| 9SS24F24-PF24 |
2-12 UN-2A |
1 1/2-11 1/2 NPTF |
4.89 124.2 mm |
3.12 79.2 mm |
6.88 174.8 mm |
5.13 130.3 mm |
2.37 60.2 mm |
2.37 60.2 mm |
3.50 88.9 mm |
*2.75 69.9 mm |
3,000 PSI 20.7 MPa |
SWIVELS | 9SS-DUAL PLANE SWIVEL | MALE JIC TO MALE O-RING FACE SEAL
MALE JIC TO MALE O-RING FACE SEAL
male-jic-to-male-o-ring-face-seal

| Part Number |
T1 |
T2 |
A |
B |
C |
D |
H Hex |
J Hex(* = Round) |
K Dia. |
L Hex |
Max W.P. |
| 9SS6J6-F6 |
9/16-18 UNF-2A |
11/16-16 UN-2A |
2.50 63.5 mm |
1.65 41.9 mm |
2.92 74.2 mm |
2.46 62.5 mm |
1.00 25.4 mm |
0.87 22.1 mm |
0.92 23.4 mm |
1.00 25.4 mm |
3,000 PSI 20.7 MPa |
| 9SS6J8-F8 |
3/4-16 UNF-2A |
13/16-16 UN-2A |
2.50 63.5 mm |
1.65 41.9 mm |
3.05 77.5 mm |
2.59 65.8 mm |
1.00 25.4 mm |
1.00 25.4 mm |
0.92 23.4 mm |
1.00 25.4 mm |
3,000 PSI 20.7 MPa |
| 9SS8J10-F10 |
7/8-14 UNF-2A |
1-14 UNS-2A |
2.77 70.4 mm |
1.93 49.0 mm |
3.65 92.7 mm |
2.90 73.7 mm |
1.13 28.7 mm |
1.00 25.4 mm |
1.50 38.1 mm |
1.25 31.8 mm |
3,000 PSI 20.7 MPa |
| 9SS12J12-F12 |
1 1/16-12 UN-2A |
1 3/16-12 UN-2A |
3.34 84.8 mm |
2.30 58.4 mm |
4.18 106.2 mm |
3.23 82.0 mm |
1.38 35.1 mm |
1.25 31.8 mm |
1.90 48.3 mm |
1.25 31.8 mm |
3,000 PSI 20.7 MPa |
| 9SS16J16-F16 |
1 5/16-12 UN-2A |
1 7/16-12 UN-2A |
3.76 95.5 mm |
2.62 66.5 mm |
4.98 126.5 mm |
3.92 99.6 mm |
1.63 41.4 mm |
1.63 41.4 mm |
2.13 54.1 mm |
1.75 44.5 mm |
3,000 PSI 20.7 MPa |
| 9SS20J20-F20 |
1 5/8-12 UN-2A |
1 11/16-12 UN-2A |
4.12 104.6 mm |
2.80 71.1 mm |
5.67 144.0 mm |
4.29 109.0 mm |
2.00 50.8 mm |
2.00 50.8 mm |
2.75 69.9 mm |
2.25 57.2 mm |
3,000 PSI 20.7 MPa |
| 9SS24J24-F24 |
1 7/8-12 UN-2A |
2-12 UN-2A |
5.26 133.6 mm |
3.49 88.6 mm |
6.80 172.7 mm |
5.05 128.3 mm |
2.37 60.2 mm |
2.37 60.2 mm |
3.50 88.9 mm |
*2.75 69.9 mm |
3,000 PSI 20.7 MPa |
SWIVELS | 9SS-DUAL PLANE SWIVEL | MALE JIC TO MALE JIC
MALE JIC TO MALE JIC
male-jic-to-male-jic

| Part Number |
T1 |
T2 |
A |
B |
C |
D |
H Hex |
J Hex(* = Round) |
K Dia. |
L Hex |
Max W.P. |
| 9SS6J6-J5 |
9/16-18 UNF-2A |
1/2-20 UNF-2A |
2.50 63.5 mm |
1.65 41.9 mm |
2.92 74.2 mm |
2.46 62.5 mm |
1.00 25.4 mm |
0.87 22.1 mm |
0.92 23.4 mm |
1.00 25.4 mm |
3,000 PSI 20.7 MPa |
| 9SS6J6-J6 |
9/16-18 UNF-2A |
9/16-18 UNF-2A |
2.50 63.5 mm |
1.65 41.9 mm |
2.92 74.2 mm |
2.46 62.5 mm |
1.00 25.4 mm |
0.87 22.1 mm |
0.92 23.4 mm |
1.00 25.4 mm |
3,000 PSI 20.7 MPa |
| 9SS6J6-J8 |
9/16-18 UNF-2A |
3/4-16 UNF-2A |
2.50 63.5 mm |
1.65 41.9 mm |
2.92 74.2 mm |
2.46 62.5 mm |
1.00 25.4 mm |
0.87 22.1 mm |
0.92 23.4 mm |
1.00 25.4 mm |
3,000 PSI 20.7 MPa |
| 9SS6J8-J6 |
3/4-16 UNF-2A |
9/16-18 UNF-2A |
2.50 63.5 mm |
1.65 41.9 mm |
3.05 77.5 mm |
2.59 65.8 mm |
1.00 25.4 mm |
0.87 22.1 mm |
0.92 23.4 mm |
1.00 25.4 mm |
3,000 PSI 20.7 MPa |
| 9SS6J8-J8 |
3/4-16 UNF-2A |
3/4-16 UNF-2A |
2.50 63.5 mm |
1.65 41.9 mm |
3.05 77.5 mm |
2.59 65.8 mm |
1.00 25.4 mm |
0.87 22.1 mm |
0.92 23.4 mm |
1.00 25.4 mm |
3,000 PSI 20.7 MPa |
| 9SS8J8-J8 |
3/4-16 UNF-2A |
3/4-16 UNF-2A |
2.83 71.9 mm |
1.99 50.5 mm |
3.55 90.2 mm |
2.80 71.1 mm |
1.13 28.7 mm |
1.00 25.4 mm |
1.50 38.1 mm |
1.25 31.8 mm |
3,000 PSI 20.7 MPa |
| 9SS8J8-J10 |
3/4-16 UNF-2A |
7/8-14 UNF-2A |
2.83 71.9 mm |
1.99 50.5 mm |
3.55 90.2 mm |
2.80 71.1 mm |
1.13 28.7 mm |
1.00 25.4 mm |
1.50 38.1 mm |
1.25 31.8 mm |
3,000 PSI 20.7 MPa |
| 9SS8J10-J8 |
7/8-14 UNF-2A |
3/4-16 UNF-2A |
2.83 71.9 mm |
1.99 50.5 mm |
3.65 92.7 mm |
2.90 73.7 mm |
1.13 28.7 mm |
1.00 25.4 mm |
1.50 38.1 mm |
1.25 31.8 mm |
3,000 PSI 20.7 MPa |
| 9SS8J10-J10 |
7/8-14 UNF-2A |
7/8-14 UNF-2A |
2.83 71.9 mm |
1.99 50.5 mm |
3.65 92.7 mm |
2.90 73.7 mm |
1.13 28.7 mm |
1.00 25.4 mm |
1.50 38.1 mm |
1.25 31.8 mm |
3,000 PSI 20.7 MPa |
| 9SS12J12-J12 |
1 1/16-12 UN-2A |
1 1/16-12 UN-2A |
3.40 86.4 mm |
2.36 59.9 mm |
4.18 106.2 mm |
3.23 82.0 mm |
1.38 35.1 mm |
1.25 31.8 mm |
1.90 48.3 mm |
1.25 31.8 mm |
3,000 PSI 20.7 MPa |
| 9SS16J16-J16 |
1 5/16-12 UN-2A |
1 5/16-12 UN-2A |
3.82 97.0 mm |
2.68 68.1 mm |
4.98 126.5 mm |
3.92 99.6 mm |
1.63 41.4 mm |
1.63 41.4 mm |
2.13 54.1 mm |
1.75 44.5 mm |
3,000 PSI 20.7 MPa |
| 9SS20J20-J20 |
1 5/8-12 UN-2A |
1 5/8-12 UN-2A |
4.12 104.6 mm |
2.81 71.4 mm |
5.67 144.0 mm |
4.29 109.0 mm |
2.00 50.8 mm |
2.00 50.8 mm |
2.75 69.9 mm |
2.25 57.2 mm |
3,000 PSI 20.7 MPa |
| 9SS24J24-J24 |
1 7/8-12 UN-2A |
1 7/8-12 UN-2A |
5.27 133.9 mm |
3.50 88.9 mm |
6.80 172.7 mm |
5.05 128.3 mm |
2.37 60.2 mm |
2.37 60.2 mm |
3.50 88.9 mm |
*2.75 69.9 mm |
3,000 PSI 20.7 MPa |
SWIVELS | 9SS-DUAL PLANE SWIVEL | MALE JIC TO MALE SAE O-RING BOSS
MALE JIC TO MALE SAE O-RING BOSS
male-jic-to-male-sae-o-ring-boss

| Part Number |
T1 |
T2 |
A |
B |
C |
D |
E |
H Hex |
J Hex(* = Round) |
K Dia. |
L Hex |
Max W.P. |
| 9SS6J6-O4 |
9/16-18 UNF-2A |
7/16-20 UNF-2A |
2.50 63.5 mm |
1.65 41.9 mm |
2.92 74.2 mm |
2.46 62.5 mm |
1.22 31.0 mm |
1.00 25.4 mm |
0.87 22.1 mm |
0.92 23.4 mm |
1.00 25.4 mm |
3,000 PSI 20.7 MPa |
| 9SS6J6-O5 |
9/16-18 UNF-2A |
1/2-20 UNF-2A |
2.50 63.5 mm |
1.65 41.9 mm |
2.92 74.2 mm |
2.46 62.5 mm |
1.22 31.0 mm |
1.00 25.4 mm |
0.87 22.1 mm |
0.92 23.4 mm |
1.00 25.4 mm |
3,000 PSI 20.7 MPa |
| 9SS6J6-O6 |
9/16-18 UNF-2A |
9/16-18 UNF-2A |
2.50 63.5 mm |
1.65 41.9 mm |
2.92 74.2 mm |
2.46 62.5 mm |
1.18 30.0 mm |
1.00 25.4 mm |
0.87 22.1 mm |
0.92 23.4 mm |
1.00 25.4 mm |
3,000 PSI 20.7 MPa |
| 9SS6J6-O8 |
9/16-18 UNF-2A |
3/4-16 UNF-2A |
2.50 63.5 mm |
1.65 41.9 mm |
2.92 74.2 mm |
2.46 62.5 mm |
1.10 27.9 mm |
1.00 25.4 mm |
0.87 22.1 mm |
0.92 23.4 mm |
1.00 25.4 mm |
3,000 PSI 20.7 MPa |
| 9SS6J8-O4 |
3/4-16 UNF-2A |
7/16-20 UNF-2A |
2.50 63.5 mm |
1.65 41.9 mm |
3.05 77.5 mm |
2.59 65.8 mm |
1.22 31.0 mm |
1.00 25.4 mm |
0.87 22.1 mm |
0.92 23.4 mm |
1.00 25.4 mm |
3,000 PSI 20.7 MPa |
| 9SS6J8-O5 |
3/4-16 UNF-2A |
1/2-20 UNF-2A |
2.50 63.5 mm |
1.65 41.9 mm |
3.05 77.5 mm |
2.59 65.8 mm |
1.22 31.0 mm |
1.00 25.4 mm |
0.87 22.1 mm |
0.92 23.4 mm |
1.00 25.4 mm |
3,000 PSI 20.7 MPa |
| 9SS6J8-O6 |
3/4-16 UNF-2A |
9/16-18 UNF-2A |
2.50 63.5 mm |
1.65 41.9 mm |
3.05 77.5 mm |
2.59 65.8 mm |
1.18 30.0 mm |
1.00 25.4 mm |
0.87 22.1 mm |
0.92 23.4 mm |
1.00 25.4 mm |
3,000 PSI 20.7 MPa |
| 9SS6J8-O8 |
3/4-16 UNF-2A |
3/4-16 UNF-2A |
2.50 63.5 mm |
1.65 41.9 mm |
3.05 77.5 mm |
2.59 65.8 mm |
1.10 27.9 mm |
1.00 25.4 mm |
0.87 22.1 mm |
0.92 23.4 mm |
1.00 25.4 mm |
3,000 PSI 20.7 MPa |
| 9SS8J8-O8 |
3/4-16 UNF-2A |
3/4-16 UNF-2A |
2.58 65.5 mm |
1.74 44.2 mm |
3.55 90.2 mm |
2.80 71.1 mm |
1.19 30.2 mm |
1.13 28.7 mm |
1.00 25.4 mm |
1.50 38.1 mm |
1.25 31.8 mm |
3,000 PSI 20.7 MPa |
| 9SS8J8-O10 |
3/4-16 UNF-2A |
7/8-14 UNF-2A |
2.83 71.9 mm |
1.99 50.5 mm |
3.55 90.2 mm |
2.80 71.1 mm |
1.35 34.3 mm |
1.13 28.7 mm |
1.00 25.4 mm |
1.50 38.1 mm |
1.25 31.8 mm |
3,000 PSI 20.7 MPa |
| 9SS8J8-O12 |
3/4-16 UNF-2A |
1 1/16-12 UN-2A |
3.00 76.2 mm |
2.16 54.9 mm |
3.55 90.2 mm |
2.80 71.1 mm |
1.44 36.6 mm |
1.13 28.7 mm |
1.25 31.8 mm |
1.50 38.1 mm |
1.25 31.8 mm |
3,000 PSI 20.7 MPa |
| 9SS8J10-O8 |
7/8-14 UNF-2A |
3/4-16 UNF-2A |
2.58 65.5 mm |
1.74 44.2 mm |
3.65 92.7 mm |
2.90 73.7 mm |
1.19 30.2 mm |
1.13 28.7 mm |
1.00 25.4 mm |
1.50 38.1 mm |
1.25 31.8 mm |
3,000 PSI 20.7 MPa |
| 9SS8J10-O10 |
7/8-14 UNF-2A |
7/8-14 UNF-2A |
2.83 71.9 mm |
1.99 50.5 mm |
3.65 92.7 mm |
2.90 73.7 mm |
1.35 34.3 mm |
1.13 28.7 mm |
1.00 25.4 mm |
1.50 38.1 mm |
1.25 31.8 mm |
3,000 PSI 20.7 MPa |
| 9SS8J10-O12 |
7/8-14 UNF-2A |
1 1/16-12 UN-2A |
3.00 76.2 mm |
2.16 54.9 mm |
3.65 92.7 mm |
2.90 73.7 mm |
1.44 36.6 mm |
1.13 28.7 mm |
1.25 31.8 mm |
1.50 38.1 mm |
1.25 31.8 mm |
3,000 PSI 20.7 MPa |
| 9SS12J12-O12 |
1 1/16-12 UN-2A |
1 1/16-12 UN-2A |
3.37 85.6 mm |
2.33 59.2 mm |
4.18 106.2 mm |
3.23 82.0 mm |
1.62 41.1 mm |
1.38 35.1 mm |
1.25 31.8 mm |
1.90 48.3 mm |
1.25 31.8 mm |
3,000 PSI 20.7 MPa |
| 9SS16J16-O16 |
1 5/16-12 UN-2A |
1 5/16-12 UN-2A |
3.62 91.9 mm |
2.48 63.0 mm |
4.98 126.5 mm |
3.92 99.6 mm |
1.78 45.2 mm |
1.63 41.4 mm |
1.63 41.4 mm |
2.13 54.1 mm |
1.75 44.5 mm |
3,000 PSI 20.7 MPa |
| 9SS20J20-O20 |
1 5/8-12 UN-2A |
1 5/8-12 UN-2A |
4.08 103.6 mm |
2.75 69.9 mm |
5.67 144.0 mm |
4.29 109.0 mm |
2.04 51.8 mm |
2.00 50.8 mm |
2.00 50.8 mm |
2.75 69.9 mm |
2.25 57.2 mm |
3,000 PSI 20.7 MPa |
| 9SS24J24-O24 |
1 7/8-12 UN-2A |
1 7/8-12 UN-2A |
4.91 124.7 mm |
3.14 79.8 mm |
6.80 172.7 mm |
5.05 128.3 mm |
2.42 61.5 mm |
2.37 60.2 mm |
2.37 60.2 mm |
3.50 88.9 mm |
*2.75 69.9 mm |
3,000 PSI 20.7 MPa |
SWIVELS | 9SS-DUAL PLANE SWIVEL | MALE JIC TO MALE PIPE
MALE JIC TO MALE PIPE
male-jic-to-male-pipe

| Part Number |
T1 |
T2 |
A |
B |
C |
D |
H Hex |
J Hex(* = Round) |
K Dia. |
L Hex |
Max W.P. |
| 9SS6J6-P4 |
9/16-18 UNF-2A |
1/4-18 NPTF |
2.50 63.5 mm |
1.65 41.9 mm |
2.92 74.2 mm |
2.46 62.5 mm |
1.00 25.4 mm |
0.87 22.1 mm |
0.92 23.4 mm |
1.00 25.4 mm |
3,000 PSI 20.7 MPa |
| 9SS6J6-P6 |
9/16-18 UNF-2A |
3/8-18 NPTF |
2.50 63.5 mm |
1.65 41.9 mm |
2.92 74.2 mm |
2.46 62.5 mm |
1.00 25.4 mm |
0.87 22.1 mm |
0.92 23.4 mm |
1.00 25.4 mm |
3,000 PSI 20.7 MPa |
| 9SS6J8-P4 |
3/4-16 UNF-2A |
1/4-18 NPTF |
2.50 63.5 mm |
1.65 41.9 mm |
3.05 77.5 mm |
2.59 65.8 mm |
1.00 25.4 mm |
0.87 22.1 mm |
0.92 23.4 mm |
1.00 25.4 mm |
3,000 PSI 20.7 MPa |
| 9SS6J8-P6 |
3/4-16 UNF-2A |
3/8-18 NPTF |
2.50 63.5 mm |
1.65 41.9 mm |
3.05 77.5 mm |
2.59 65.8 mm |
1.00 25.4 mm |
0.87 22.1 mm |
0.92 23.4 mm |
1.00 25.4 mm |
3,000 PSI 20.7 MPa |
| 9SS8J8-P8 |
3/4-16 UNF-2A |
1/2-14 NPTF |
2.83 71.9 mm |
1.99 50.5 mm |
3.55 90.2 mm |
2.80 71.1 mm |
1.13 28.7 mm |
1.00 25.4 mm |
1.50 38.1 mm |
1.25 31.8 mm |
3,000 PSI 20.7 MPa |
| 9SS8J10-P8 |
7/8-14 UNF-2A |
1/2-14 NPTF |
2.83 71.9 mm |
1.99 50.5 mm |
3.65 92.7 mm |
2.90 73.7 mm |
1.13 28.7 mm |
1.00 25.4 mm |
1.50 38.1 mm |
1.25 31.8 mm |
3,000 PSI 20.7 MPa |
| 9SS12J12-P12 |
1 1/16-12 UN-2A |
3/4-14 NPTF |
3.40 86.4 mm |
2.36 59.9 mm |
4.18 106.2 mm |
3.23 82.0 mm |
1.38 35.1 mm |
1.25 31.8 mm |
1.90 48.3 mm |
1.25 31.8 mm |
3,000 PSI 20.7 MPa |
| 9SS16J16-P16 |
1 5/16-12 UN-2A |
1-11 1/2 NPTF |
3.82 97.0 mm |
2.68 68.1 mm |
4.98 126.5 mm |
3.92 99.6 mm |
1.63 41.4 mm |
1.63 41.4 mm |
2.13 54.1 mm |
1.75 44.5 mm |
3,000 PSI 20.7 MPa |
| 9SS20J20-P20 |
1 5/8-12 UN-2A |
1 1/4-11 1/2 NPTF |
4.18 106.2 mm |
2.86 72.6 mm |
5.67 144.0 mm |
4.29 109.0 mm |
2.00 50.8 mm |
2.00 50.8 mm |
2.75 69.9 mm |
2.25 57.2 mm |
3,000 PSI 20.7 MPa |
| 9SS24J24-P24 |
1 7/8-12 UN-2A |
1 1/2-11 1/2 NPTF |
5.32 135.1 mm |
3.55 90.2 mm |
6.80 172.7 mm |
5.05 128.3 mm |
2.37 60.2 mm |
2.37 60.2 mm |
3.50 88.9 mm |
*2.75 69.9 mm |
3,000 PSI 20.7 MPa |
SWIVELS | 9SS-DUAL PLANE SWIVEL | MALE JIC TO FEMALE PIPE
MALE JIC TO FEMALE PIPE
male-jic-to-female-pipe

| Part Number |
T1 |
T2 |
A |
B |
C |
D |
H Hex |
J Hex(* = Round) |
K Dia. |
L Hex |
Max W.P. |
| 9SS6J6-PF4 |
9/16-18 UNF-2A |
1/4-18 NPTF |
2.50 63.5 mm |
1.65 41.9 mm |
2.92 74.2 mm |
2.46 62.5 mm |
1.00 25.4 mm |
0.87 22.1 mm |
0.92 23.4 mm |
1.00 25.4 mm |
3,000 PSI 20.7 MPa |
| 9SS6J6-PF6 |
9/16-18 UNF-2A |
3/8-18 NPTF |
2.50 63.5 mm |
1.65 41.9 mm |
2.92 74.2 mm |
2.46 62.5 mm |
1.00 25.4 mm |
0.87 22.1 mm |
0.92 23.4 mm |
1.00 25.4 mm |
3,000 PSI 20.7 MPa |
| 9SS6J8-PF4 |
3/4-16 UNF-2A |
1/4-18 NPTF |
2.50 63.5 mm |
1.65 41.9 mm |
3.05 77.5 mm |
2.59 65.8 mm |
1.00 25.4 mm |
0.87 22.1 mm |
0.92 23.4 mm |
1.00 25.4 mm |
3,000 PSI 20.7 MPa |
| 9SS6J8-PF6 |
3/4-16 UNF-2A |
3/8-18 NPTF |
2.50 63.5 mm |
1.65 41.9 mm |
3.05 77.5 mm |
2.59 65.8 mm |
1.00 25.4 mm |
0.87 22.1 mm |
0.92 23.4 mm |
1.00 25.4 mm |
3,000 PSI 20.7 MPa |
| 9SS8J8-PF8 |
3/4-16 UNF-2A |
1/2-14 NPTF |
2.62 66.5 mm |
1.78 45.2 mm |
3.55 90.2 mm |
2.80 71.1 mm |
1.13 28.7 mm |
1.00 25.4 mm |
1.50 38.1 mm |
1.25 31.8 mm |
3,000 PSI 20.7 MPa |
| 9SS8J10-PF8 |
7/8-14 UNF-2A |
1/2-14 NPTF |
2.62 66.5 mm |
1.78 45.2 mm |
3.65 92.7 mm |
2.90 73.7 mm |
1.13 28.7 mm |
1.00 25.4 mm |
1.50 38.1 mm |
1.25 31.8 mm |
3,000 PSI 20.7 MPa |
| 9SS12J12-PF12 |
1 1/16-12 UN-2A |
3/4-14 NPTF |
3.00 76.2 mm |
1.96 49.8 mm |
4.18 106.2 mm |
3.23 82.0 mm |
1.38 35.1 mm |
1.25 31.8 mm |
1.90 48.3 mm |
1.25 31.8 mm |
3,000 PSI 20.7 MPa |
| 9SS16J16-PF16 |
1 5/16-12 UN-2A |
1-11 1/2 NPTF |
3.40 86.4 mm |
2.26 57.4 mm |
4.98 126.5 mm |
3.92 99.6 mm |
1.63 41.4 mm |
1.63 41.4 mm |
2.13 54.1 mm |
1.75 44.5 mm |
3,000 PSI 20.7 MPa |
| 9SS20J20-PF20 |
1 5/8-12 UN-2A |
1 1/4-11 1/2 NPTF |
4.18 106.2 mm |
2.86 72.6 mm |
5.67 144.0 mm |
4.29 109.0 mm |
2.00 50.8 mm |
2.00 50.8 mm |
2.75 69.9 mm |
2.25 57.2 mm |
3,000 PSI 20.7 MPa |
| 9SS24J24-PF24 |
1 7/8-12 UN-2A |
1 1/2-11 1/2 NPTF |
4.89 124.2 mm |
3.12 79.2 mm |
6.80 172.7 mm |
5.05 128.3 mm |
2.37 60.2 mm |
2.37 60.2 mm |
3.50 88.9 mm |
*2.75 69.9 mm |
3,000 PSI 20.7 MPa |
SWIVELS | 9SS-DUAL PLANE SWIVEL | FEMALE PIPE TO MALE O-RING FACE SEAL
FEMALE PIPE TO MALE O-RING FACE SEAL
female-pipe-to-male-o-ring-face-seal

| Part Number |
T1 |
T2 |
A |
B |
C |
D |
H Hex |
J Hex(* = Round) |
K Dia. |
L Hex |
Max W.P. |
| 9SS6PF4-F6 |
1/4-18 NPTF |
11/16-16 UN-2A |
2.50 63.5 mm |
1.65 41.9 mm |
2.70 68.6 mm |
2.24 56.9 mm |
1.00 25.4 mm |
0.87 22.1 mm |
0.92 23.4 mm |
1.00 25.4 mm |
3,000 PSI 20.7 MPa |
| 9SS6PF6-F8 |
3/8-18 NPTF |
13/16-16 UN-2A |
2.50 63.5 mm |
1.65 41.9 mm |
2.70 68.6 mm |
2.24 56.9 mm |
1.00 25.4 mm |
1.00 25.4 mm |
0.92 23.4 mm |
1.00 25.4 mm |
3,000 PSI 20.7 MPa |
| 9SS8PF8-F10 |
1/2-14 NPTF |
1-14 UNS-2A |
2.77 70.4 mm |
1.93 49.0 mm |
3.42 86.9 mm |
2.67 67.8 mm |
1.13 28.7 mm |
1.00 25.4 mm |
1.50 38.1 mm |
1.25 31.8 mm |
3,000 PSI 20.7 MPa |
| 9SS12PF12-F12 |
3/4-14 NPTF |
1 3/16-12 UN-2A |
3.34 84.8 mm |
2.30 58.4 mm |
3.86 98.0 mm |
2.91 73.9 mm |
1.38 35.1 mm |
1.25 31.8 mm |
1.90 48.3 mm |
1.25 31.8 mm |
3,000 PSI 20.7 MPa |
| 9SS16PF16-F16 |
1-11 1/2 NPTF |
1 7/16-12 UN-2A |
3.76 95.5 mm |
2.62 66.5 mm |
4.77 121.2 mm |
3.71 94.2 mm |
1.63 41.4 mm |
1.63 41.4 mm |
2.13 54.1 mm |
1.75 44.5 mm |
3,000 PSI 20.7 MPa |
| 9SS20PF20-F20 |
1 1/4-11 1/2 NPTF |
1 11/16-12 UN-2A |
4.12 104.6 mm |
2.80 71.1 mm |
5.53 140.5 mm |
4.15 105.4 mm |
2.00 50.8 mm |
2.00 50.8 mm |
2.75 69.9 mm |
2.25 57.2 mm |
3,000 PSI 20.7 MPa |
| 9SS24PF24-F24 |
1 1/2-11 1/2 NPTF |
2-12 UN-2A |
5.26 133.6 mm |
3.49 88.6 mm |
6.88 174.8 mm |
5.13 130.3 mm |
2.37 60.2 mm |
2.37 60.2 mm |
3.50 88.9 mm |
*2.75 69.9 mm |
3,000 PSI 20.7 MPa |
SWIVELS | 9SS-DUAL PLANE SWIVEL | FEMALE PIPE TO MALE JIC
FEMALE PIPE TO MALE JIC
female-pipe-to-male-jic

| Part Number |
T1 |
T2 |
A |
B |
C |
D |
H Hex |
J Hex(* = Round) |
K Dia. |
L Hex |
Max W.P. |
| 9SS6PF4-J5 |
1/4-18 NPTF |
1/2-20 UNF-2A |
2.50 63.5 mm |
1.65 41.9 mm |
2.70 68.6 mm |
2.24 56.9 mm |
1.00 25.4 mm |
0.87 22.1 mm |
0.92 23.4 mm |
1.00 25.4 mm |
3,000 PSI 20.7 MPa |
| 9SS6PF4-J6 |
1/4-18 NPTF |
9/16-18 UNF-2A |
2.50 63.5 mm |
1.65 41.9 mm |
2.70 68.6 mm |
2.24 56.9 mm |
1.00 25.4 mm |
0.87 22.1 mm |
0.92 23.4 mm |
1.00 25.4 mm |
3,000 PSI 20.7 MPa |
| 9SS6PF4-J8 |
1/4-18 NPTF |
3/4-16 UNF-2A |
2.50 63.5 mm |
1.65 41.9 mm |
2.70 68.6 mm |
2.24 56.9 mm |
1.00 25.4 mm |
0.87 22.1 mm |
0.92 23.4 mm |
1.00 25.4 mm |
3,000 PSI 20.7 MPa |
| 9SS6PF6-J5 |
3/8-18 NPTF |
1/2-20 UNF-2A |
2.50 63.5 mm |
1.65 41.9 mm |
2.70 68.6 mm |
2.24 56.9 mm |
1.00 25.4 mm |
0.87 22.1 mm |
0.92 23.4 mm |
1.00 25.4 mm |
3,000 PSI 20.7 MPa |
| 9SS6PF6-J6 |
3/8-18 NPTF |
9/16-18 UNF-2A |
2.50 63.5 mm |
1.65 41.9 mm |
2.70 68.6 mm |
2.24 56.9 mm |
1.00 25.4 mm |
0.87 22.1 mm |
0.92 23.4 mm |
1.00 25.4 mm |
3,000 PSI 20.7 MPa |
| 9SS6PF6-J8 |
3/8-18 NPTF |
3/4-16 UNF-2A |
2.50 63.5 mm |
1.65 41.9 mm |
2.70 68.6 mm |
2.24 56.9 mm |
1.00 25.4 mm |
1.00 25.4 mm |
0.92 23.4 mm |
1.00 25.4 mm |
3,000 PSI 20.7 MPa |
| 9SS8PF8-J8 |
1/2-14 NPTF |
3/4-16 UNF-2A |
2.83 71.9 mm |
1.99 50.5 mm |
3.42 86.9 mm |
2.67 67.8 mm |
1.13 28.7 mm |
1.00 25.4 mm |
1.50 38.1 mm |
1.25 31.8 mm |
3,000 PSI 20.7 MPa |
| 9SS8PF8-J10 |
1/2-14 NPTF |
7/8-14 UNF-2A |
2.83 71.9 mm |
1.99 50.5 mm |
3.42 86.9 mm |
2.67 67.8 mm |
1.13 28.7 mm |
1.00 25.4 mm |
1.50 38.1 mm |
1.25 31.8 mm |
3,000 PSI 20.7 MPa |
| 9SS12PF12-J12 |
3/4-14 NPTF |
1 1/16-12 UN-2A |
3.40 86.4 mm |
2.36 59.9 mm |
3.86 98.0 mm |
2.91 73.9 mm |
1.38 35.1 mm |
1.25 31.8 mm |
1.90 48.3 mm |
1.25 31.8 mm |
3,000 PSI 20.7 MPa |
| 9SS16PF16-J16 |
1-11 1/2 NPTF |
1 5/16-12 UN-2A |
3.82 97.0 mm |
2.68 68.1 mm |
4.77 121.2 mm |
3.71 94.2 mm |
1.63 41.4 mm |
1.63 41.4 mm |
2.13 54.1 mm |
1.75 44.5 mm |
3,000 PSI 20.7 MPa |
| 9SS20PF20-J20 |
1 1/4-11 1/2 NPTF |
1 5/8-12 UN-2A |
4.12 104.6 mm |
2.81 71.4 mm |
5.53 140.5 mm |
4.15 105.4 mm |
2.00 50.8 mm |
2.00 50.8 mm |
2.75 69.9 mm |
2.25 57.2 mm |
3,000 PSI 20.7 MPa |
| 9SS24PF24-J24 |
1 1/2-11 1/2 NPTF |
1 7/8-12 UN-2A |
5.27 133.9 mm |
3.50 88.9 mm |
6.88 174.8 mm |
5.13 130.3 mm |
2.37 60.2 mm |
2.37 60.2 mm |
3.50 88.9 mm |
*2.75 69.9 mm |
3,000 PSI 20.7 MPa |
SWIVELS | 9SS-DUAL PLANE SWIVEL | FEMALE PIPE TO MALE SAE O-RING BOSS
FEMALE PIPE TO MALE SAE O-RING BOSS
female-pipe-to-male-sae-o-ring-boss

| Part Number |
T1 |
T2 |
A |
B |
C |
D |
E |
H Hex |
J Hex(* = Round) |
K Dia. |
L Hex |
Max W.P. |
| 9SS6PF4-O4 |
1/4-18 NPTF |
7/16-20 UNF-2A |
2.50 63.5 mm |
1.65 41.9 mm |
2.70 68.6 mm |
2.24 56.9 mm |
1.22 31.0 mm |
1.00 25.4 mm |
0.87 22.1 mm |
0.92 23.4 mm |
1.00 25.4 mm |
3,000 PSI 20.7 MPa |
| 9SS6PF4-O5 |
1/4-18 NPTF |
1/2-20 UNF-2A |
2.50 63.5 mm |
1.65 41.9 mm |
2.70 68.6 mm |
2.24 56.9 mm |
1.22 31.0 mm |
1.00 25.4 mm |
0.87 22.1 mm |
0.92 23.4 mm |
1.00 25.4 mm |
3,000 PSI 20.7 MPa |
| 9SS6PF4-O6 |
1/4-18 NPTF |
9/16-18 UNF-2A |
2.50 63.5 mm |
1.65 41.9 mm |
2.70 68.6 mm |
2.24 56.9 mm |
1.18 30.0 mm |
1.00 25.4 mm |
0.87 22.1 mm |
0.92 23.4 mm |
1.00 25.4 mm |
3,000 PSI 20.7 MPa |
| 9SS6PF4-O8 |
1/4-18 NPTF |
3/4-16 UNF-2A |
2.50 63.5 mm |
1.65 41.9 mm |
2.70 68.6 mm |
2.24 56.9 mm |
1.10 27.9 mm |
1.00 25.4 mm |
0.87 22.1 mm |
0.92 23.4 mm |
1.00 25.4 mm |
3,000 PSI 20.7 MPa |
| 9SS6PF6-O4 |
3/8-18 NPTF |
7/16-20 UNF-2A |
2.50 63.5 mm |
1.65 41.9 mm |
2.70 68.6 mm |
2.24 56.9 mm |
1.22 31.0 mm |
1.00 25.4 mm |
0.87 22.1 mm |
0.92 23.4 mm |
1.00 25.4 mm |
3,000 PSI 20.7 MPa |
| 9SS6PF6-O5 |
3/8-18 NPTF |
1/2-20 UNF-2A |
2.50 63.5 mm |
1.65 41.9 mm |
2.70 68.6 mm |
2.24 56.9 mm |
1.22 31.0 mm |
1.00 25.4 mm |
0.87 22.1 mm |
0.92 23.4 mm |
1.00 25.4 mm |
3,000 PSI 20.7 MPa |
| 9SS6PF6-O6 |
3/8-18 NPTF |
9/16-18 UNF-2A |
2.50 63.5 mm |
1.65 41.9 mm |
2.70 68.6 mm |
2.24 56.9 mm |
1.18 30.0 mm |
1.00 25.4 mm |
0.87 22.1 mm |
0.92 23.4 mm |
1.00 25.4 mm |
3,000 PSI 20.7 MPa |
| 9SS6PF6-O8 |
3/8-18 NPTF |
3/4-16 UNF-2A |
2.50 63.5 mm |
1.65 41.9 mm |
2.70 68.6 mm |
2.24 56.9 mm |
1.10 27.9 mm |
1.00 25.4 mm |
0.87 22.1 mm |
0.92 23.4 mm |
1.00 25.4 mm |
3,000 PSI 20.7 MPa |
| 9SS8PF8-O8 |
1/2-14 NPTF |
3/4-16 UNF-2A |
2.58 65.5 mm |
1.74 44.2 mm |
3.42 86.9 mm |
2.67 67.8 mm |
1.19 30.2 mm |
1.13 28.7 mm |
1.00 25.4 mm |
1.50 38.1 mm |
1.25 31.8 mm |
3,000 PSI 20.7 MPa |
| 9SS8PF8-O10 |
1/2-14 NPTF |
7/8-14 UNF-2A |
2.82 71.6 mm |
1.98 50.3 mm |
3.42 86.9 mm |
2.67 67.8 mm |
1.35 34.3 mm |
1.13 28.7 mm |
1.00 25.4 mm |
1.50 38.1 mm |
1.25 31.8 mm |
3,000 PSI 20.7 MPa |
| 9SS8PF8-O12 |
1/2-14 NPTF |
1 1/16-12 UN-2A |
3.00 76.2 mm |
2.16 54.9 mm |
3.42 86.9 mm |
2.67 67.8 mm |
1.44 36.6 mm |
1.13 28.7 mm |
1.25 31.8 mm |
1.50 38.1 mm |
1.25 31.8 mm |
3,000 PSI 20.7 MPa |
| 9SS12PF12-O12 |
3/4-14 NPTF |
1 1/16-12 UN-2A |
3.37 85.6 mm |
2.33 59.2 mm |
3.86 98.0 mm |
2.91 73.9 mm |
1.62 41.1 mm |
1.38 35.1 mm |
1.25 31.8 mm |
1.90 48.3 mm |
1.25 31.8 mm |
3,000 PSI 20.7 MPa |
| 9SS16PF16-O16 |
1-11 1/2 NPTF |
1 5/16-12 UN-2A |
3.62 91.9 mm |
2.48 63.0 mm |
4.77 121.2 mm |
3.71 94.2 mm |
1.78 45.2 mm |
1.63 41.4 mm |
1.63 41.4 mm |
2.13 54.1 mm |
1.75 44.5 mm |
3,000 PSI 20.7 MPa |
| 9SS20PF20-O20 |
1 1/4-11 1/2 NPTF |
1 5/8-12 UN-2A |
4.08 103.6 mm |
2.76 70.1 mm |
5.53 140.5 mm |
4.15 105.4 mm |
2.04 51.8 mm |
2.00 50.8 mm |
2.00 50.8 mm |
2.75 69.9 mm |
2.25 57.2 mm |
3,000 PSI 20.7 MPa |
| 9SS24PF24-O24 |
1 1/2-11 1/2 NPTF |
1 7/8-12 UN-2A |
4.91 124.7 mm |
3.14 79.8 mm |
6.88 174.8 mm |
5.13 130.3 mm |
2.42 61.5 mm |
2.37 60.2 mm |
2.37 60.2 mm |
3.50 88.9 mm |
*2.75 69.9 mm |
3,000 PSI 20.7 MPa |
SWIVELS | 9SS-DUAL PLANE SWIVEL | FEMALE PIPE TO MALE PIPE
FEMALE PIPE TO MALE PIPE
female-pipe-to-male-pipe

| Part Number |
T1 |
T2 |
A |
B |
C |
D |
H Hex |
J Hex(* = Round) |
K Dia. |
L Hex |
Max W.P. |
| 9SS6PF4-P4 |
1/4-18 NPTF |
1/4-18 NPTF |
2.50 63.5 mm |
1.65 41.9 mm |
2.70 68.6 mm |
2.24 56.9 mm |
1.00 25.4 mm |
0.87 22.1 mm |
0.92 23.4 mm |
1.00 25.4 mm |
3,000 PSI 20.7 MPa |
| 9SS6PF4-P6 |
1/4-18 NPTF |
3/8-18 NPTF |
2.50 63.5 mm |
1.65 41.9 mm |
2.70 68.6 mm |
2.24 56.9 mm |
1.00 25.4 mm |
0.87 22.1 mm |
0.92 23.4 mm |
1.00 25.4 mm |
3,000 PSI 20.7 MPa |
| 9SS6PF6-P4 |
3/8-18 NPTF |
1/4-18 NPTF |
2.50 63.5 mm |
1.65 41.9 mm |
2.70 68.6 mm |
2.24 56.9 mm |
1.00 25.4 mm |
0.87 22.1 mm |
0.92 23.4 mm |
1.00 25.4 mm |
3,000 PSI 20.7 MPa |
| 9SS6PF6-P6 |
3/8-18 NPTF |
3/8-18 NPTF |
2.50 63.5 mm |
1.65 41.9 mm |
2.70 68.6 mm |
2.24 56.9 mm |
1.00 25.4 mm |
0.87 22.1 mm |
0.92 23.4 mm |
1.00 25.4 mm |
3,000 PSI 20.7 MPa |
| 9SS8PF8-P8 |
1/2-14 NPTF |
1/2-14 NPTF |
2.83 71.9 mm |
1.99 50.5 mm |
3.42 86.9 mm |
2.67 67.8 mm |
1.13 28.7 mm |
1.00 25.4 mm |
1.50 38.1 mm |
1.25 31.8 mm |
3,000 PSI 20.7 MPa |
| 9SS12PF12-P12 |
3/4-14 NPTF |
3/4-14 NPTF |
3.40 86.4 mm |
2.36 59.9 mm |
3.86 98.0 mm |
2.91 73.9 mm |
1.38 35.1 mm |
1.25 31.8 mm |
1.90 48.3 mm |
1.25 31.8 mm |
3,000 PSI 20.7 MPa |
| 9SS16PF16-P16 |
1-11 1/2 NPTF |
1-11 1/2 NPTF |
3.82 97.0 mm |
2.68 68.1 mm |
4.77 121.2 mm |
3.71 94.2 mm |
1.63 41.4 mm |
1.63 41.4 mm |
2.13 54.1 mm |
1.75 44.5 mm |
3,000 PSI 20.7 MPa |
| 9SS20PF20-P20 |
1 1/4-11 1/2 NPTF |
1 1/4-11 1/2 NPTF |
4.18 106.2 mm |
2.86 72.6 mm |
5.53 140.5 mm |
4.15 105.4 mm |
2.00 50.8 mm |
2.00 50.8 mm |
2.75 69.9 mm |
2.25 57.2 mm |
3,000 PSI 20.7 MPa |
| 9SS24PF24-P24 |
1 1/2-11 1/2 NPTF |
1 1/2-11 1/2 NPTF |
5.32 135.1 mm |
3.55 90.2 mm |
6.88 174.8 mm |
5.13 130.3 mm |
2.37 60.2 mm |
2.37 60.2 mm |
3.50 88.9 mm |
*2.75 69.9 mm |
3,000 PSI 20.7 MPa |
SWIVELS | 9SS-DUAL PLANE SWIVEL | FEMALE PIPE TO FEMALE PIPE
FEMALE PIPE TO FEMALE PIPE
female-pipe-to-female-pipe

| Part Number |
T1 |
T2 |
A |
B |
C |
D |
H Hex |
J Hex(* = Round) |
K Dia. |
L Hex |
Max W.P. |
| 9SS6PF4-PF4 |
1/4-18 NPTF |
1/4-18 NPTF |
2.50 63.5 mm |
1.65 41.9 mm |
2.70 68.6 mm |
2.24 56.9 mm |
1.00 25.4 mm |
0.87 22.1 mm |
0.92 23.4 mm |
1.00 25.4 mm |
3,000 PSI 20.7 MPa |
| 9SS6PF4-PF6 |
1/4-18 NPTF |
3/8-18 NPTF |
2.50 63.5 mm |
1.65 41.9 mm |
2.70 68.6 mm |
2.24 56.9 mm |
1.00 25.4 mm |
0.87 22.1 mm |
0.92 23.4 mm |
1.00 25.4 mm |
3,000 PSI 20.7 MPa |
| 9SS6PF6-PF4 |
3/8-18 NPTF |
1/4-18 NPTF |
2.50 63.5 mm |
1.65 41.9 mm |
2.70 68.6 mm |
2.24 56.9 mm |
1.00 25.4 mm |
0.87 22.1 mm |
0.92 23.4 mm |
1.00 25.4 mm |
3,000 PSI 20.7 MPa |
| 9SS6PF6-PF6 |
3/8-18 NPTF |
3/8-18 NPTF |
2.50 63.5 mm |
1.65 41.9 mm |
2.70 68.6 mm |
2.24 56.9 mm |
1.00 25.4 mm |
0.87 22.1 mm |
0.92 23.4 mm |
1.00 25.4 mm |
3,000 PSI 20.7 MPa |
| 9SS8PF8-PF8 |
1/2-14 NPTF |
1/2-14 NPTF |
2.62 66.5 mm |
1.78 45.2 mm |
3.42 86.9 mm |
2.67 67.8 mm |
1.13 28.7 mm |
1.00 25.4 mm |
1.50 38.1 mm |
1.25 31.8 mm |
3,000 PSI 20.7 MPa |
| 9SS12PF12-PF12 |
3/4-14 NPTF |
3/4-14 NPTF |
3.00 76.2 mm |
1.98 50.3 mm |
3.86 98.0 mm |
2.91 73.9 mm |
1.38 35.1 mm |
1.25 31.8 mm |
1.90 48.3 mm |
1.25 31.8 mm |
3,000 PSI 20.7 MPa |
| 9SS16PF16-PF16 |
1-11 1/2 NPTF |
1-11 1/2 NPTF |
3.40 86.4 mm |
2.26 57.4 mm |
4.77 121.2 mm |
3.71 94.2 mm |
1.63 41.4 mm |
1.63 41.4 mm |
2.13 54.1 mm |
1.75 44.5 mm |
3,000 PSI 20.7 MPa |
| 9SS20PF20-PF20 |
1 1/4-11 1/2 NPTF |
1 1/4-11 1/2 NPTF |
4.18 106.2 mm |
2.86 72.6 mm |
5.53 140.5 mm |
4.15 105.4 mm |
2.00 50.8 mm |
2.00 50.8 mm |
2.75 69.9 mm |
2.25 57.2 mm |
3,000 PSI 20.7 MPa |
| 9SS24PF24-PF24 |
1 1/2-11 1/2 NPTF |
1 1/2-11 1/2 NPTF |
4.89 124.2 mm |
3.12 79.2 mm |
6.88 174.8 mm |
5.13 130.3 mm |
2.37 60.2 mm |
2.37 60.2 mm |
3.50 88.9 mm |
*2.75 69.9 mm |
3,000 PSI 20.7 MPa |
Male O-Ring Face Seal to Male O-Ring Face Seal
Male O-Ring Face Seal to Male JIC
Male O-Ring Face Seal to Male SAE O-Ring Boss
Male O-Ring Face Seal to Male Pipe
Male O-Ring Face Seal to Female Pipe
Male JIC to Male O-Ring Face Seal
Male JIC to Male JIC
Male JIC to Male SAE O-Ring Boss
Male JIC to Male Pipe
Male JIC to Female Pipe
Female Pipe to Male O-Ring Face Seal
Female Pipe to Male JIC
Female Pipe to Male SAE O-Ring Boss
Female Pipe to Male Pipe
Female Pipe to Female Pipe
Part Number
9SS6F6-F6
9SS6F8-F8
9SS8F10-F10
9SS12F12-F12
9SS16F16-F16
9SS20F20-F20
9SS24F24-F24
Part Number
9SS6F6-J6
9SS6F8-J8
9SS8F10-J10
9SS12F12-J12
9SS16F16-J16
9SS20F20-J20
9SS24F24-J24
Part Number
9SS6F6-O6
9SS6F8-O8
9SS8F10-O10
9SS12F12-O12
9SS16F16-O16
9SS20F20-O20
9SS24F24-O24
Part Number
9SS6F6-P4
9SS6F8-P6
9SS8F10-P8
9SS12F12-P12
9SS16F16-P16
9SS20F20-P20
9SS24F24-P24
Part Number
9SS6F6-PF4
9SS6F8-PF6
9SS8F10-PF8
9SS12F12-PF12
9SS16F16-PF16
9SS20F20-PF20
9SS24F24-PF24
Part Number
9SS6J6-F6
9SS6J8-F8
9SS8J10-F10
9SS12J12-F12
9SS16J16-F16
9SS20J20-F20
9SS24J24-F24
Part Number
9SS6J6-J5
9SS6J6-J6
9SS6J6-J8
9SS6J8-J6
9SS6J8-J8
9SS8J8-J8
9SS8J8-J10
9SS8J10-J8
9SS8J10-J10
9SS12J12-J12
9SS16J16-J16
9SS20J20-J20
9SS24J24-J24
Part Number
9SS6J6-O4
9SS6J6-O5
9SS6J6-O6
9SS6J6-O8
9SS6J8-O4
9SS6J8-O5
9SS6J8-O6
9SS6J8-O8
9SS8J8-O8
9SS8J8-O10
9SS8J8-O12
9SS8J10-O8
9SS8J10-O10
9SS8J10-O12
9SS12J12-O12
9SS16J16-O16
9SS20J20-O20
9SS24J24-O24
Part Number
9SS6J6-P4
9SS6J6-P6
9SS6J8-P4
9SS6J8-P6
9SS8J8-P8
9SS8J10-P8
9SS12J12-P12
9SS16J16-P16
9SS20J20-P20
9SS24J24-P24
Part Number
9SS6J6-PF4
9SS6J6-PF6
9SS6J8-PF4
9SS6J8-PF6
9SS8J8-PF8
9SS8J10-PF8
9SS12J12-PF12
9SS16J16-PF16
9SS20J20-PF20
9SS24J24-PF24
Part Number
9SS6PF4-F6
9SS6PF6-F8
9SS8PF8-F10
9SS12PF12-F12
9SS16PF16-F16
9SS20PF20-F20
9SS24PF24-F24
Part Number
9SS6PF4-J5
9SS6PF4-J6
9SS6PF4-J8
9SS6PF6-J5
9SS6PF6-J6
9SS6PF6-J8
9SS8PF8-J8
9SS8PF8-J10
9SS12PF12-J12
9SS16PF16-J16
9SS20PF20-J20
9SS24PF24-J24
Part Number
9SS6PF4-O4
9SS6PF4-O5
9SS6PF4-O6
9SS6PF4-O8
9SS6PF6-O4
9SS6PF6-O5
9SS6PF6-O6
9SS6PF6-O8
9SS8PF8-O8
9SS8PF8-O10
9SS8PF8-O12
9SS12PF12-O12
9SS16PF16-O16
9SS20PF20-O20
9SS24PF24-O24
Part Number
9SS6PF4-P4
9SS6PF4-P6
9SS6PF6-P4
9SS6PF6-P6
9SS8PF8-P8
9SS12PF12-P12
9SS16PF16-P16
9SS20PF20-P20
9SS24PF24-P24
Part Number
9SS6PF4-PF4
9SS6PF4-PF6
9SS6PF6-PF4
9SS6PF6-PF6
9SS8PF8-PF8
9SS12PF12-PF12
9SS16PF16-PF16
9SS20PF20-PF20
9SS24PF24-PF24
|